Бюджетная линейка узкопрофильных замков 920а серии (замки защёлка-ригель) – это серия надежных замков dormakaba по выгодной цене.
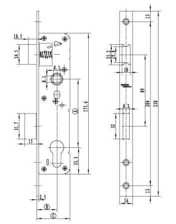
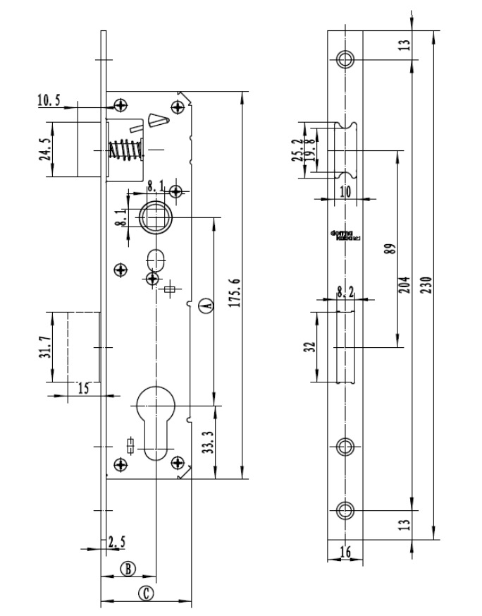
• Замок с торцевой планкой 16 мм для ПВХ дверей.
• Межосевое расстояние - 92 мм, дорнмасс от 25, 30 и 35 мм.
• Торцевая планка замков, крепёжные шурупы и фиксирующий винт цилиндра входят в комплект замка и изготовлены из нержавеющей стали.
• Универсальная защёлка для левых и правых дверей.
Закрытый корпус защищает механизм замка от попадания стружки и пыли. Продлевает ресурс работы замка и увеличивает плавность работы механизма. Ролик замка и втулка под шток ручки изготовлены из латуни.
Задний бэксет замка равен 15 мм и позволяет установить замок в большинство популярных профилей России.
Замки серии 920 рекомендованы для установки в двери из ПВХ профиля повышенной проходимости. Применяются в обустройстве квартир и коммерческих помещений
Премиальный внешний вид и высокая корозионная стойкость: торцевая планка замка, ответная планка замка, крепёжные винты и фиксирующий винт цилиндра выполнены из нержавеющей стали.
• Протестированы в лаборатории dormakaba. Соответствуют стандарту EN 12209. Grade 2.
• Количество циклов безотказной работы - свыше 200 000 циклов, коррозионная стойкость – 4 класс (свыше 96 часов в камере соляного тумана).
• Боковая нагрузка на ригель – 3 kN. Товар прошёл добровольную сертификацию по ГОСТ 5090-2016, ГОСТ 5089-2011 и ГОСТ 538-2014
Прочная фиксация ручки: отверстие в корпусе замка для 3-го крепёжного винта ручки. Требуется для надёжной фиксации ручки на тяжёлых дверях из "зимнего" профиля.
Совместимость
• Ответные планки для 9 и 13 системы с регулировкой прижима двери и без регулировки
• Нажимные ручки Bremen в цвете RAL на длинной планке и овальной розетке
• Ручки PURE из нержавеющей стали на овальной розетке
• Для использование с цилиндрами DIN стандарта
Технические характеристики:
• Ширина торцевой планки 16 мм
• Дорнмасс 25 мм, 30 мм и 35 мм
• Межосевое расстояние 92 мм
• Втулка замка под шток 8 мм
• Вылет ригеля 15 мм
Доступные модели:
Корпус замка 920 92/25/8 F=16 прям, мат. нерж. ст. (30) (1100000009802)
Корпус замка 920 92/30/8 F=16 прям, мат. нерж. ст. (30) (1100000009803)
Корпус замка 920 92/35/8 F=16 прям, мат. нерж. ст. (30) (1100000009804)
Бренд | dormakaba |
Исполнение | Для помещений |
Тип замка | Механический замок |
Вид замка | Врезной |
Назначение замка | Для легких офисных дверей, На дверь в квартиру, Стандартные двери, Легкие межкомнатные двери |
Тип ключа | Английский |
Шток | 8 мм |
Бэксет (дорнмасс) | 25 мм |
Межосевое расстояние | 92 мм |
Материал корпуса | Нержавеющая сталь |
Длина замка, мм | 41.3 |
Высота замка, мм | 175.6 |
Ширина замка, мм | 16 |
Гарантия | 1 год |
Страна производства | Австрия |
Функция «Быстрый заказ» позволяет покупателю не проходить всю процедуру оформления заказа самостоятельно. Вы заполняете форму, и через короткое время вам перезвонит менеджер магазина. Он уточнит все условия заказа, ответит на вопросы, касающиеся качества товара, его особенностей. А также подскажет о вариантах оплаты и доставки.
По результатам звонка, пользователь либо, получив уточнения, самостоятельно оформляет заказ, укомплектовав его необходимыми позициями, либо соглашается на оформление в том виде, в котором есть сейчас. Получает подтверждение на почту или на мобильный телефон и ждёт доставки.
Оформление заказа в стандартном режиме
Если вы уверены в выборе, то можете самостоятельно оформить заказ, заполнив по этапам всю форму.
Заполнение адреса
Выберите из списка название вашего региона и населённого пункта. Если вы не нашли свой населённый пункт в списке, выберите значение «Другое местоположение» и впишите название своего населённого пункта в графу «Город». Введите правильный индекс.
Доставка
В зависимости от места жительства вам предложат варианты доставки. Выберите любой удобный способ. Подробнее об условиях доставки читайте в разделе «Доставка».
Оплата
Выберите оптимальный способ оплаты. Подробнее о всех вариантах читайте в разделе «Оплата»
Покупатель
Введите данные о себе: ФИО, адрес доставки, номер телефона. В поле «Комментарии к заказу» введите сведения, которые могут пригодиться курьеру, например: подъезды в доме считаются справа налево.
Оформление заказа
Проверьте правильность ввода информации: позиции заказа, выбор местоположения, данные о покупателе. Нажмите кнопку «Оформить заказ».
Наш сервис запоминает данные о пользователе, информацию о заказе и в следующий раз предложит вам повторить к вводу данные предыдущего заказа. Если условия вам не подходят, выбирайте другие варианты.
Если Вы хотите узнать об условиях доставки и оплаты, но не желаете о них читать, то Вы можете позвонить любому нашему сотруднику, и он обязательно Вам поможет.
Покупка за безналичный расчет
При оплате за безналичный расчет наш сотрудник свяжется с Вами, чтобы подтвердить заказ и уточнить сроки и адрес доставки. После оформления заказа сотрудник нашей компании вышлет вам счет, по которому необходимо будет произвести оплату.
После оплаты заказа к Вам приедет наш курьер, который доставит ваш заказ.
Самостоятельно забрать заказ из пунктов самовывоза Вы можете после его оплаты по безналичному расчету. Оплата доставки до пунктов выдачи транспортных компаний производится по тарифам выбранной Вами транспортной компании непосредственно в месте получения заказа.
Самовывоз из офиса нашей компании в Зеленограде, так же возможен после предоплаты по безналичному расчету, и предварительной договоренности с менеджером.
Интернет-магазин выполняет доставку любого товара своей собственной Службой доставки.
Стоимость доставки курьером
Стоимость доставки по Москве, Все товары —750 руб., бесплатная доставка от 25000 руб
Стоимость доставки по Московской области рассчитывается для каждого заказа индивидуально и зависит от суммарного веса товаров заказа и удаленности адреса доставки.
Время доставки
Время доставки согласовывается с менеджером Службы доставки, который обязательно свяжется с вами сразу после того, как вы разместите свой заказ.
Для осуществления доставки в регионы России мы пользуемся услугами компаний СДЭК, ЖелДорЭкспедиция, Автотрейдинг, Деловые Линии. В таком случае, указанными кампаниями взимается стоимость доставки по их внутренним тарифам с заказчика при получении товара.
Самовывоз
Забрать товар самостоятельно и абсолютно бесплатно можно только по адресу: Москва, Зеленоград, Панфиловский проспект, дом 10.
Забрать товар самовывозом можно по любому из адресов самовывоза указанных здесь, стоимость доставки до пункта самовывоза рассчитывается для каждого заказа по тарифам транспортных компаний.









