Устройство защиты электрооборудования распределительных сетей 220 (230) В AC от импульсных перенапряжений, комплект УЗП2-220К/3LN-PE/20 предназначено для защиты оборудования, подключённого к линиям электропитания переменного тока 220 (230) В, от наведенных напряжений, вызванных электромагнитными импульсами высоких энергий (грозовыми, электростатическими разрядами и т.д.).
УЗП2-220К/3LN-PE/20 – четырехполюсное устройство защиты ограничительного типа класса испытаний II, по техническим и эксплуатационным характеристикам удовлетворяющее требованиям ГОСТ IEC 61643-11, ГОСТ 30011.1, ГОСТ Р 50571-4-44, ГОСТ Р 50571.5.53.
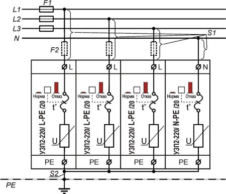
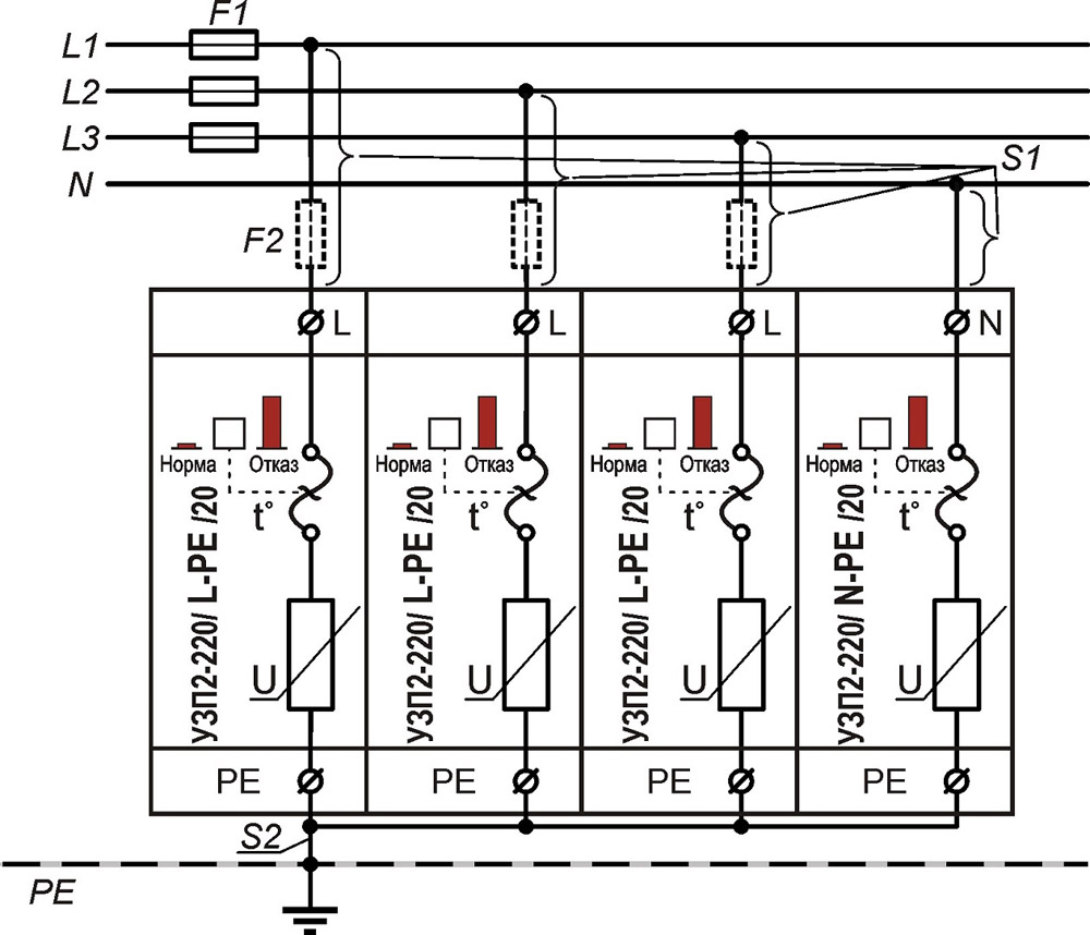
УЗП2-220К/3LN-PE/20применяется в трехфазных сетях с системой заземления TN-S (TN-C-S), ТТ и устанавливается в пределах 1 - 2 зон молниезащиты (в соответствии с МЭК 61312-1, МЭК 62305). Для сетей с системами заземления TN-С, применяются УЗП2-220/L-PEN/20(С) и УЗП2-220К/3L-PEN/20(С).
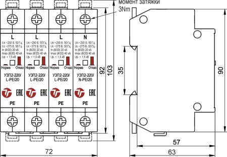
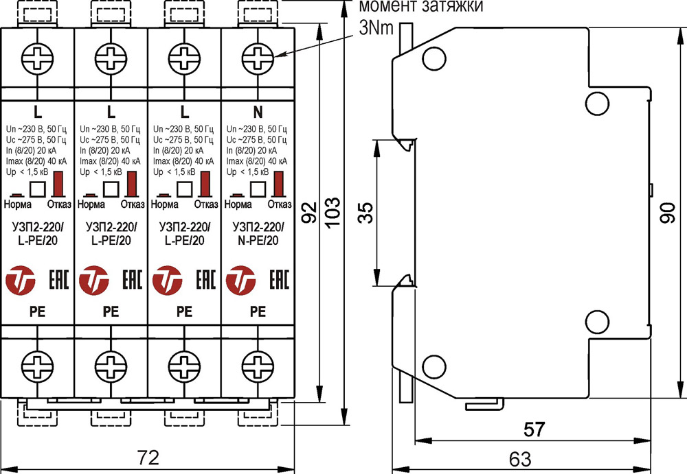
Каждый модуль УЗП2-220К/3LN-PE/20 имеет механический индикатор состояния отказа, при срабатывании которого отказавший модуль необходимо заменить.
Степень защиты IP20 в соответствии с ГОСТ 14254. Конструктивно УЗП2-220К/3LN-PE/20 выполнено в корпусе из трудногорючего пластика с креплением на 35мм DIN-рейку.
Выпускается по техническим условиям ТУ 26.30.50-077-31006686-2017.
Комплект поставки:
• УЗП2-220/L-PE/20 3 шт.
• УЗП2-220/N-PE/20 1 шт.
• Шина cоединительная 4PE 1 шт.
• Паспорт 1 шт.
Характеристики:
• Номинальное рабочее напряжение (Un): ~230 В / 50 Гц
• Максимальное длительное рабочее напряжение (Uc): ~275 В / 50 Гц
• Классификационное напряжение при 1мА, не более: ~473 В / 50 Гц
• Номинальный разрядный ток при tимп. 8/20мкс (In): 20 кА
• Максимальный разрядный ток при tимп. 8/20мкс (Imax): 40 кА
• Уровень напряжения защиты при In, (Up), не более: 1,5 кB
• Время срабатывания, менее: 25 нсек
• Сечение подключаемых проводов, мм2:
– жесткий одножильный: 2,5÷35 мм2
– гибкий многожильный: 2,5÷16 мм2
• Диапазон рабочих температур: -55…+80 °С
• Габаритные размеры, (ДхВхШ): 92 х 63 х 17,8 мм (один модуль)
• Вес в упаковке: 370 г
Бренд | Тахион |
Исполнение | Для помещений |
Класс УЗИП | II |
Количество полюсов | 4P |
Количество модулей | 4 |
Импульсный ток (макс.) | 40 кА |
Уровень напряжения защиты (Uр) | 1.5 кВ |
Максимальное рабочее напряжение (Uc) | 275 В |
Материал корпуса | Пластик |
Тип монтажа | На DIN-рейку |
Напряжение питания | 230 В |
Скорость срабатывания защиты | 25 нс |
Вес, кг | 0.37 |
Рабочая температура | от -55°C до +80°C |
Гарантия | 3 года |
Страна производства | Россия |
Функция «Быстрый заказ» позволяет покупателю не проходить всю процедуру оформления заказа самостоятельно. Вы заполняете форму, и через короткое время вам перезвонит менеджер магазина. Он уточнит все условия заказа, ответит на вопросы, касающиеся качества товара, его особенностей. А также подскажет о вариантах оплаты и доставки.
По результатам звонка, пользователь либо, получив уточнения, самостоятельно оформляет заказ, укомплектовав его необходимыми позициями, либо соглашается на оформление в том виде, в котором есть сейчас. Получает подтверждение на почту или на мобильный телефон и ждёт доставки.
Оформление заказа в стандартном режиме
Если вы уверены в выборе, то можете самостоятельно оформить заказ, заполнив по этапам всю форму.
Заполнение адреса
Выберите из списка название вашего региона и населённого пункта. Если вы не нашли свой населённый пункт в списке, выберите значение «Другое местоположение» и впишите название своего населённого пункта в графу «Город». Введите правильный индекс.
Доставка
В зависимости от места жительства вам предложат варианты доставки. Выберите любой удобный способ. Подробнее об условиях доставки читайте в разделе «Доставка».
Оплата
Выберите оптимальный способ оплаты. Подробнее о всех вариантах читайте в разделе «Оплата»
Покупатель
Введите данные о себе: ФИО, адрес доставки, номер телефона. В поле «Комментарии к заказу» введите сведения, которые могут пригодиться курьеру, например: подъезды в доме считаются справа налево.
Оформление заказа
Проверьте правильность ввода информации: позиции заказа, выбор местоположения, данные о покупателе. Нажмите кнопку «Оформить заказ».
Наш сервис запоминает данные о пользователе, информацию о заказе и в следующий раз предложит вам повторить к вводу данные предыдущего заказа. Если условия вам не подходят, выбирайте другие варианты.
Если Вы хотите узнать об условиях доставки и оплаты, но не желаете о них читать, то Вы можете позвонить любому нашему сотруднику, и он обязательно Вам поможет.
Покупка за безналичный расчет
При оплате за безналичный расчет наш сотрудник свяжется с Вами, чтобы подтвердить заказ и уточнить сроки и адрес доставки. После оформления заказа сотрудник нашей компании вышлет вам счет, по которому необходимо будет произвести оплату.
После оплаты заказа к Вам приедет наш курьер, который доставит ваш заказ.
Самостоятельно забрать заказ из пунктов самовывоза Вы можете после его оплаты по безналичному расчету. Оплата доставки до пунктов выдачи транспортных компаний производится по тарифам выбранной Вами транспортной компании непосредственно в месте получения заказа.
Самовывоз из офиса нашей компании в Зеленограде, так же возможен после предоплаты по безналичному расчету, и предварительной договоренности с менеджером.
Интернет-магазин выполняет доставку любого товара своей собственной Службой доставки.
Стоимость доставки курьером
Стоимость доставки по Москве, Все товары —750 руб., бесплатная доставка от 25000 руб
Стоимость доставки по Московской области рассчитывается для каждого заказа индивидуально и зависит от суммарного веса товаров заказа и удаленности адреса доставки.
Время доставки
Время доставки согласовывается с менеджером Службы доставки, который обязательно свяжется с вами сразу после того, как вы разместите свой заказ.
Для осуществления доставки в регионы России мы пользуемся услугами компаний СДЭК, ЖелДорЭкспедиция, Автотрейдинг, Деловые Линии. В таком случае, указанными кампаниями взимается стоимость доставки по их внутренним тарифам с заказчика при получении товара.
Самовывоз
Забрать товар самостоятельно и абсолютно бесплатно можно только по адресу: Москва, Зеленоград, Панфиловский проспект, дом 10.
Забрать товар самовывозом можно по любому из адресов самовывоза указанных здесь, стоимость доставки до пункта самовывоза рассчитывается для каждого заказа по тарифам транспортных компаний.









