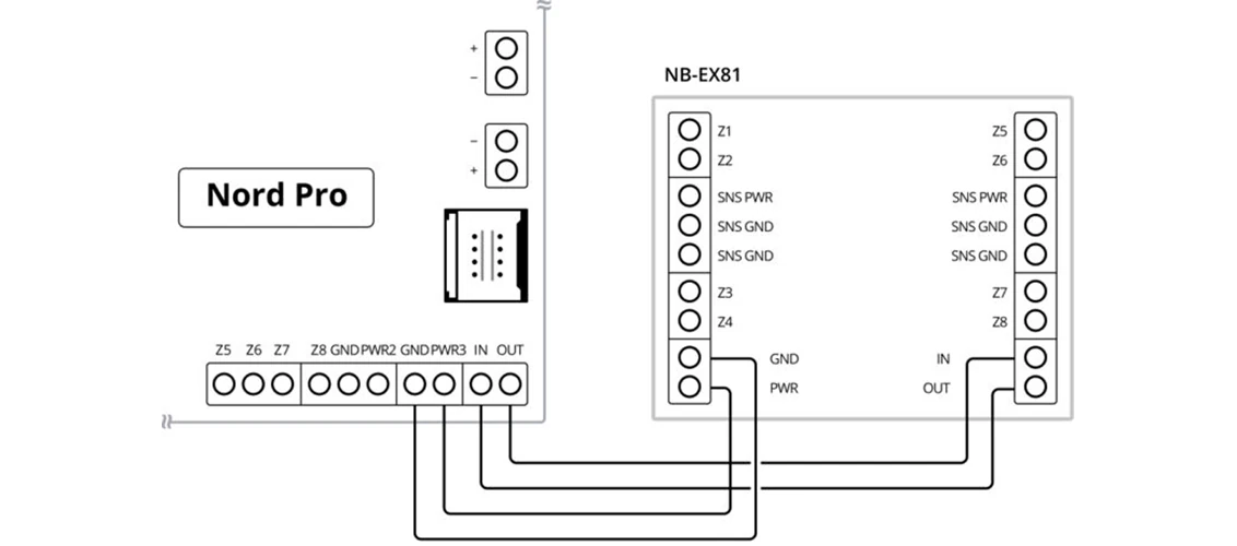
Расширитель проводных шлейфов NB-EX81 — это внешний модуль, предназначенный для увеличения числа проводных зон (шлейфов) охранных систем C-Nord. Устройство подключается к контрольным панелям Nord Pro, Nord Max, а также к беспроводным версиям Nord Pro Air и Nord Max Air, расширяя их функциональные возможности без замены базового оборудования. Расширитель поставляется в собственном корпусе и рассчитан на подключение восьми шлейфов, часть из которых может работать как охранные, пожарные или в режиме открытых коллекторов.
Модель NB-EX81 поддерживает до шести универсальных шлейфов (Z1–Z6), которые можно конфигурировать как входы или выходы, и два дополнительных шлейфа (Z7–Z8) для подключения двухпроводных пожарных датчиков или охранных извещателей. Один шлейф поддерживает до 20 пожарных извещателей, обеспечивая стабильное распознавание состояний «Норма» и «Пожар». К одной контрольной панели Nord Pro или Nord Max можно подключить до пяти расширителей, увеличивая общее количество зон до 48. Беспроводные панели Nord Pro Air и Nord Max Air поддерживают один расширитель и максимум 16 шлейфов.
NB-EX81 прост в установке и обслуживании: корпус позволяет прокладывать кабели даже после крепления на стене, а индикация на плате помогает отслеживать состояние устройства во время настройки. Конфигурирование выполняется через программу «Хаббл», где расширитель автоматически определяется и отображается в списке подключённых устройств. Надёжная схемотехника, широкие возможности конфигурирования и поддержка различных типов извещателей делают NB-EX81 универсальным инструментом для масштабирования систем охраны и пожарной сигнализации.
Особенности
- Увеличение количества проводных шлейфов до 48 при подключении к панелям Nord Pro и Nord Max.
- Поддержка до одного расширителя на беспроводных панелях Nord Pro Air и Nord Max Air (до 16 шлейфов).
- Шлейфы 1–6 можно конфигурировать как охранные или выходы типа «открытый коллектор».
- Шлейфы 7–8 можно использовать как охранные или пожарные для двухпроводных датчиков.
- Индикация состояния и автоматическое определение устройства в конфигураторе «Хаббл».
- Питание на каждый пожарный шлейф позволяет подключить до 20 извещателей.
Преимущества
- Совместимость с широким спектром контрольных панелей C-Nord.
- Поддержка режимов охраны и пожарной сигнализации на одних и тех же клеммах.
- Минимальное энергопотребление (всего 20 мА при 14 В).
- Надёжная работа при температурах от −30 до +50 °C.
- Простая установка, настройка и удаление через конфигуратор «Хаббл».
Установка и подключение к контрольной панели
Перед установкой:
- убедитесь, что расширитель будет работать на нужном расстоянии от контрольной панели. Проверьте фактическое сопротивление используемого кабеля — оно может не соответствовать маркировке;
- во время настройки и при дальнейшей работе с расширителями к контрольной панели обязательно должно быть подключено основное или резервной питание.
- Откройте корпус расширителя.
- Проденьте шлейфы и кабель питания через отверстия в тыльной части корпуса.
- Приложите тыльную часть корпуса к стене и закрепите саморезами через монтажное отверстие. Корпус спроектирован так, что позволяет заводить провода, когда тыльная часть уже закреплена на стене.
- Подсоедините провода к клеммам и закройте корпус расширителя.
- Светится постоянно - Питание подключено, нет подключения к охранному прибору
- Частое мигание - Подключен к охранному прибору, настройки сохранены в приборе и отображаются в «Хаббле»
- Редкое мигание - Подключен к охранному прибору
- Выключен - Нет питания, расширитель отключен
- Закройте корпус расширителя.
- Настройте расширитель. Перед настройкой убедитесь, что к контрольной панели подключено основное или резервное питание. Откройте конфигуратор «Хаббл» и перейдите на вкладку «Устройства». Подключенный расширитель сразу отобразится в списке устройств.
- Нажмите кнопку «Включить», чтобы получить доступ к настройке подключенных шлейфов. Охранные извещатели подключаются ко всем шлейфам. Пожарные извещатели подключаются только к шлейфам 7 и 8 расширителя.
- Нажмите кнопку «Записать» конфигурацию после того, как все шлейфы настроены.

Технологический светодиод на плате поможет отследить состояние. Индикация нужна только во время настройки прибора — при закрытом корпусе (тампер замкнут) светодиод не работает.


ВАЖНО! В случае использования седьмой и восьмой зон расширителя, как охранных, нормально замкнутых, ОБЯЗАТЕЛЬНО конфигурировать их и использовать, как зоны с оконечными резисторами.
Настройка пожарных шлейфов
К 7 и 8 шлейфу подключаются двухпроводные пожарные датчики. При пожарной тревоге сброс питания происходит на двух зонах одновременно.
То есть, если шлейф 7 — пожарный, а шлейф 8 — охранный, то при пожарной тревоге питание сбросится на обеих зонах.
Питания на каждом шлейфе достаточно, чтобы подключить не менее 20 пожарных извещателей. Ток потребления пожарного извещателя в состоянии «Норма» может колебаться в широких пределах — от 30 до 100 мкА в зависимости от модели и качества извещателя. Один шлейф расширителя поддерживает до 20 самых «прожорливых» извещателей.
Совместимость с клавиатурами
При подключении к панелям Nord Pro и Pro Air расширители NB-EX81 совместимы с клавиатурами: NB-K12, NB-K14, а также версиями клавиатур K16-LCD и К14-LED с красной меткой NordBus на плате и на коробке.
Если к панели подключена K16-LCD/K14-LED без метки, после подключения NB-EX81 клавиатура перестанет работать. Если NB-EX81 уже подключен, и после этого подключили клавиатуру без метки, клавиатура не будет работать. Расширитель продолжит работать при любых условиях.
Недостатки
- Для корректной работы клавиатур требуется версия с меткой NordBus.
- При использовании 7–8 зон как охранных необходимо обязательное подключение оконечных резисторов.
Технические характеристики:
Электропитание- Напряжение питания: 9,5–14 В
- Потребляемый ток, не более: 20 мА (при 14 В)
- Максимальное суммарное потребление датчиков от клемм SNS PWR и SNS GND: 400 мА
- Общее количество шлейфов: 8
- Шлейфы 1–6: охранные или выходы «открытый коллектор»
- Шлейфы 7–8: охранные или пожарные (двухпроводные извещатели)
- Максимальное количество пожарных извещателей на шлейф: 20 шт.
- Сопротивление оконечных резисторов охранных шлейфов: 2,20 ± 0,11 кОм или 4,30 ± 0,22 кОм
- Сопротивление оконечных резисторов пожарных шлейфов: 3,0 ± 0,15 кОм
- Тип выходов: «открытый коллектор»
- Максимальное коммутируемое напряжение: 30 В
- Максимальный коммутируемый ток: 250 мА
- Совместимость: Nord Pro, Nord Pro Air, Nord Max, Nord Max Air
- Подключение по шине NordBus
- Совместимые клавиатуры: NB-K12, NB-K14, K16-LCD, K14-LED (с красной меткой NordBus)
- Максимально допустимое сопротивление линии связи: 200 Ом
- Максимальное число пожарных извещателей (с током потребления в состоянии «Норма» не более 100 мкА), включаемых в пожарный шлейф, при котором различаются состояния «Норма» и «Пожар»: 20 шт.
- Диапазон рабочих температур: −30…+50 °C
- Габаритные размеры: 151×100×28 мм
- Масса: 113 г
Бренд | Си-Норд |
Исполнение | Для помещений |
Материал | Пластик |
Напряжение питания | 12 В |
Габариты | 151х100х28 мм |
Вес, кг | 0.1 |
Рабочая температура | от -30°C до +50°C |
Гарантия | 1 год |
Страна производства | Россия |
Функция «Быстрый заказ» позволяет покупателю не проходить всю процедуру оформления заказа самостоятельно. Вы заполняете форму, и через короткое время вам перезвонит менеджер магазина. Он уточнит все условия заказа, ответит на вопросы, касающиеся качества товара, его особенностей. А также подскажет о вариантах оплаты и доставки.
По результатам звонка, пользователь либо, получив уточнения, самостоятельно оформляет заказ, укомплектовав его необходимыми позициями, либо соглашается на оформление в том виде, в котором есть сейчас. Получает подтверждение на почту или на мобильный телефон и ждёт доставки.
Оформление заказа в стандартном режиме
Если вы уверены в выборе, то можете самостоятельно оформить заказ, заполнив по этапам всю форму.
Заполнение адреса
Выберите из списка название вашего региона и населённого пункта. Если вы не нашли свой населённый пункт в списке, выберите значение «Другое местоположение» и впишите название своего населённого пункта в графу «Город». Введите правильный индекс.
Доставка
В зависимости от места жительства вам предложат варианты доставки. Выберите любой удобный способ. Подробнее об условиях доставки читайте в разделе «Доставка».
Оплата
Выберите оптимальный способ оплаты. Подробнее о всех вариантах читайте в разделе «Оплата»
Покупатель
Введите данные о себе: ФИО, адрес доставки, номер телефона. В поле «Комментарии к заказу» введите сведения, которые могут пригодиться курьеру, например: подъезды в доме считаются справа налево.
Оформление заказа
Проверьте правильность ввода информации: позиции заказа, выбор местоположения, данные о покупателе. Нажмите кнопку «Оформить заказ».
Наш сервис запоминает данные о пользователе, информацию о заказе и в следующий раз предложит вам повторить к вводу данные предыдущего заказа. Если условия вам не подходят, выбирайте другие варианты.
Если Вы хотите узнать об условиях доставки и оплаты, но не желаете о них читать, то Вы можете позвонить любому нашему сотруднику, и он обязательно Вам поможет.
Покупка за безналичный расчет
При оплате за безналичный расчет наш сотрудник свяжется с Вами, чтобы подтвердить заказ и уточнить сроки и адрес доставки. После оформления заказа сотрудник нашей компании вышлет вам счет, по которому необходимо будет произвести оплату.
После оплаты заказа к Вам приедет наш курьер, который доставит ваш заказ.
Самостоятельно забрать заказ из пунктов самовывоза Вы можете после его оплаты по безналичному расчету. Оплата доставки до пунктов выдачи транспортных компаний производится по тарифам выбранной Вами транспортной компании непосредственно в месте получения заказа.
Самовывоз из офиса нашей компании в Зеленограде, так же возможен после предоплаты по безналичному расчету, и предварительной договоренности с менеджером.
Интернет-магазин выполняет доставку любого товара своей собственной Службой доставки.
Стоимость доставки курьером
Стоимость доставки по Москве, Все товары —750 руб., бесплатная доставка от 25000 руб
Стоимость доставки по Московской области рассчитывается для каждого заказа индивидуально и зависит от суммарного веса товаров заказа и удаленности адреса доставки.
Время доставки
Время доставки согласовывается с менеджером Службы доставки, который обязательно свяжется с вами сразу после того, как вы разместите свой заказ.
Для осуществления доставки в регионы России мы пользуемся услугами компаний СДЭК, ЖелДорЭкспедиция, Автотрейдинг, Деловые Линии. В таком случае, указанными кампаниями взимается стоимость доставки по их внутренним тарифам с заказчика при получении товара.
Самовывоз
Забрать товар самостоятельно и абсолютно бесплатно можно только по адресу: Москва, Зеленоград, Панфиловский проспект, дом 10.
Забрать товар самовывозом можно по любому из адресов самовывоза указанных здесь, стоимость доставки до пункта самовывоза рассчитывается для каждого заказа по тарифам транспортных компаний.
Более 100 научных исследований, системных обзоров и метаанализов было проработано для подготовки этого материала. Несмотря на значение городов в современном мире, их будущее на удивление хрупко и представляет угрозу не только для их жителей, но и для стран, и даже для всей человеческой цивилизации.





