Оповещатель пожарный речевой Болид ОПР-П103.1, потолочный
Болид ОПР-П103.1 – это современный пожарный речевой оповещатель, разработанный для обеспечения максимально надежного и качественного звукового оповещения в системах пожарной безопасности и управления эвакуацией. Устройство предназначено для круглосуточной работы в жилых, коммерческих и производственных помещениях, обеспечивая четкое и разборчивое воспроизведение речевых сообщений и специальных сигналов.
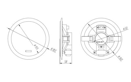
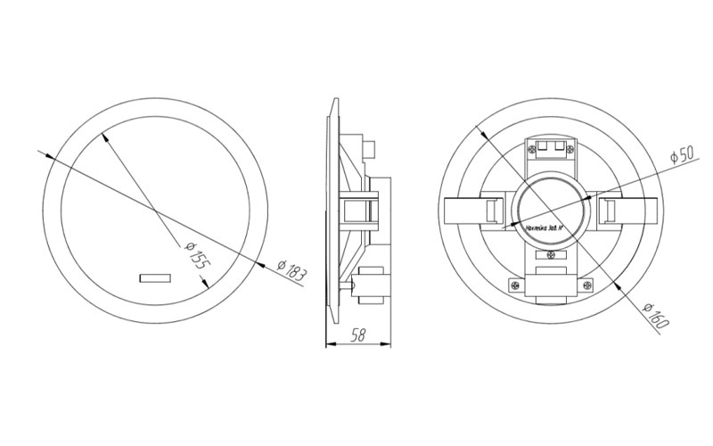
Оповещатель предназначен для работы совместно с блоками речевого оповещения «Рупор-200» или «Рупор-300» или аналогичными блоками оповещения со 100 В линией оповещения. В оповещателе отсутствуют дополнительные элементы, предназначенные для работы схемы контроля целостности трансляционной линии.Конструкция оповещателя предусматривает его установку под потолочные панели с помощью специально разработанных фиксационных скоб, что гарантирует надежность монтажа и устойчивость к механическим воздействиям. Продукт соответствует строгим требованиям стандартов пожарной и электробезопасности, а также требованиям технических регламентов ЕАЭС, что подтверждено сертификатами и декларациями соответствия.
Технические характеристики устройства включают акустическую мощность 3 Вт, широкий диапазон воспроизводимых частот (от 90 до 16000 Гц), высокую чувствительность – 89 дБ при нагрузке 1 Вт/1 м, максимальное звуковое давление – 93 дБ, а также высокую степень надежности: вероятность безотказной работы составляет 0,98758, средняя наработка до отказа – не менее 80 000 часов, а средний срок службы – 10 лет.
Оповещатель оснащен средствами защиты линии оповещения, которые, при достижении критических температур (150 °С), отключают устройство для предотвращения повреждений, что существенно повышает безопасность системы. Кроме того, конструкция устройства позволяет осуществлять простое и быстрое подключение к линии оповещения посредством клемм с креплением «под винт», что способствует эффективному управлению электробезопасностью системы.
Особенности:
- Мощная акустическая система с мощностью 3 Вт для четкого воспроизведения речевых сообщений.
- Широкий диапазон частот (от 90 до 16000 Гц), обеспечивающий высокое качество звука.
- Надежная защита линии оповещения с автоматическим отключением при перегреве (срабатывание при 150 °С).
- Компактный и легкий корпус, выполненный из качественных пластика и металла.
- Удобный монтаж под потолочные панели с использованием фиксирующих скоб, обеспечивающих стабильное крепление устройства.
Принцип работы оповещателя состоит в преобразовании электрической энергии в акустическую.
Оповещатель выпускается для подключения к линии оповещения с номинальным напряжением 100 В. Подключение к линии оповещения производится через клеммы с креплением «под винт».
Для защиты линии оповещения, подключенной к оповещателю, от воздействия неисправности оповещателя, вызванной тепловым воздействием при пожаре, предусмотрена защита, которая отключает оповещатель от линии оповещения. Защита срабатывает при температуре 150 °С.
Преимущества:
- Круглосуточная работа в любых условиях эксплуатации, что гарантирует постоянную готовность системы к экстренным ситуациям.
- Высокая надежность работы с показателем безотказности 0,98758 и длительной наработкой до отказа – не менее 80 000 часов.
- Соответствие международным и отечественным стандартам пожарной и электробезопасности, подтвержденное сертификатами и декларациями соответствия.
- Простота подключения и монтажа благодаря продуманной схеме крепления и удобным клеммным соединениям.
- Возможность интеграции с различными системами речевого оповещения, что расширяет спектр применения устройства в системах СОУЭ.
Недостатки:
- Ограниченные возможности использования в условиях агрессивных сред и высоких концентраций пыли, что требует соблюдения технологических режимов.
- Не предназначен для эксплуатации в зонах с повышенным риском взрыва или в условиях, где могут возникать экстремальные электромагнитные помехи.
- Требует квалифицированного монтажа и регулярного технического обслуживания, что может увеличить эксплуатационные затраты.
- Строгое соблюдение установочных норм и мер безопасности, предписанных технической документацией, требует особого внимания при установке.
Данный оповещатель – оптимальное решение для обеспечения безопасности в помещениях разного назначения, сочетающее в себе надежность, высокое качество звука и простоту эксплуатации. Инновационные технические решения и строгий контроль качества производства делают Болид ОПР-П103.1 незаменимым элементом любой системы пожарной безопасности, подтверждая репутацию компании «Болид» как ведущего производителя средств оповещения.
Характеристики:
- Акустическая мощность, Вт: 3
- Потребляемая мощность, Вт: 3,75
- Диапазон воспроизводимых частот, Гц: от 90 до 16000
- Чувствительность (SPL 1 Вт/1 м), дБ: 89
- Максимальное звуковое давление, дБ: 93
- Время технической готовности оповещателя к работе, с: 1
- Материал корпуса: пластик, металл
- Степень защиты оболочки по ГОСТ 14254-96: IP41
- Устойчивость к механическим воздействиям по ОСТ 25 1099-83: категория размещения 3
- Вибрационные нагрузки: - диапазон частот, Гц: 1 – 35
- Климатическое исполнение по ОСТ 25 1099-83: О3
- Диапазон рабочих температур, °С: от минус 10 до +55
- Относительная влажность воздуха, %: до 93
- Масса оповещателя, кг: 0,34
- Габаритные размеры оповещателя (посадочное отверстие), мм: 183×58 (160)
- Время непрерывной работы оповещателя: круглосуточно
- Средняя наработка оповещателя на отказ, ч, не менее: 80000
- Вероятность безотказной работы: 0,98758
- Средний срок службы оповещателя, лет: 10
- По устойчивости к электромагнитным помехам оповещатель соответствует требованиям третьей степени жесткости соответствующих стандартов, перечисленных в Приложении Б ГОСТ Р 53325-2012.
- Оповещатель удовлетворяет нормам индустриальных помех, установленным для оборудования класса Б по ГОСТ Р 30805.22.
- максимальное ускорение: 0,5 g
Бренд | Болид |
Тип извещателя | Речевой |
Тип передачи данных | Проводной |
Исполнение | Для помещений |
Тип монтажа | Потолочный |
Материал | Пластик |
Релейные выходы | 1 |
Напряжение питания | 100 В |
Потребляемая мощность, макс. | 3.8 Вт |
Дальность действия | 100-150 м |
Габариты | Ø 183x58 мм |
Вес, кг | 0.34 |
Рабочая температура | от -10°C до +55°C |
Рабочая влажность | не выше 93% |
Класс защиты (IP) | IP41 |
Наработка на отказ, не менее | 80 000 часов |
Средний срок службы | Не менее 10 лет |
Гарантия | 18 мес. |
Страна производства | Россия |
Функция «Быстрый заказ» позволяет покупателю не проходить всю процедуру оформления заказа самостоятельно. Вы заполняете форму, и через короткое время вам перезвонит менеджер магазина. Он уточнит все условия заказа, ответит на вопросы, касающиеся качества товара, его особенностей. А также подскажет о вариантах оплаты и доставки.
По результатам звонка, пользователь либо, получив уточнения, самостоятельно оформляет заказ, укомплектовав его необходимыми позициями, либо соглашается на оформление в том виде, в котором есть сейчас. Получает подтверждение на почту или на мобильный телефон и ждёт доставки.
Оформление заказа в стандартном режиме
Если вы уверены в выборе, то можете самостоятельно оформить заказ, заполнив по этапам всю форму.
Заполнение адреса
Выберите из списка название вашего региона и населённого пункта. Если вы не нашли свой населённый пункт в списке, выберите значение «Другое местоположение» и впишите название своего населённого пункта в графу «Город». Введите правильный индекс.
Доставка
В зависимости от места жительства вам предложат варианты доставки. Выберите любой удобный способ. Подробнее об условиях доставки читайте в разделе «Доставка».
Оплата
Выберите оптимальный способ оплаты. Подробнее о всех вариантах читайте в разделе «Оплата»
Покупатель
Введите данные о себе: ФИО, адрес доставки, номер телефона. В поле «Комментарии к заказу» введите сведения, которые могут пригодиться курьеру, например: подъезды в доме считаются справа налево.
Оформление заказа
Проверьте правильность ввода информации: позиции заказа, выбор местоположения, данные о покупателе. Нажмите кнопку «Оформить заказ».
Наш сервис запоминает данные о пользователе, информацию о заказе и в следующий раз предложит вам повторить к вводу данные предыдущего заказа. Если условия вам не подходят, выбирайте другие варианты.
Если Вы хотите узнать об условиях доставки и оплаты, но не желаете о них читать, то Вы можете позвонить любому нашему сотруднику, и он обязательно Вам поможет.
Покупка за безналичный расчет
При оплате за безналичный расчет наш сотрудник свяжется с Вами, чтобы подтвердить заказ и уточнить сроки и адрес доставки. После оформления заказа сотрудник нашей компании вышлет вам счет, по которому необходимо будет произвести оплату.
После оплаты заказа к Вам приедет наш курьер, который доставит ваш заказ.
Самостоятельно забрать заказ из пунктов самовывоза Вы можете после его оплаты по безналичному расчету. Оплата доставки до пунктов выдачи транспортных компаний производится по тарифам выбранной Вами транспортной компании непосредственно в месте получения заказа.
Самовывоз из офиса нашей компании в Зеленограде, так же возможен после предоплаты по безналичному расчету, и предварительной договоренности с менеджером.
Интернет-магазин выполняет доставку любого товара своей собственной Службой доставки.
Стоимость доставки курьером
Стоимость доставки по Москве, Все товары —750 руб., бесплатная доставка от 25000 руб
Стоимость доставки по Московской области рассчитывается для каждого заказа индивидуально и зависит от суммарного веса товаров заказа и удаленности адреса доставки.
Время доставки
Время доставки согласовывается с менеджером Службы доставки, который обязательно свяжется с вами сразу после того, как вы разместите свой заказ.
Для осуществления доставки в регионы России мы пользуемся услугами компаний СДЭК, ЖелДорЭкспедиция, Автотрейдинг, Деловые Линии. В таком случае, указанными кампаниями взимается стоимость доставки по их внутренним тарифам с заказчика при получении товара.
Самовывоз
Забрать товар самостоятельно и абсолютно бесплатно можно только по адресу: Москва, Зеленоград, Панфиловский проспект, дом 10.
Забрать товар самовывозом можно по любому из адресов самовывоза указанных здесь, стоимость доставки до пункта самовывоза рассчитывается для каждого заказа по тарифам транспортных компаний.
Более 100 научных исследований, системных обзоров и метаанализов было проработано для подготовки этого материала. Несмотря на значение городов в современном мире, их будущее на удивление хрупко и представляет угрозу не только для их жителей, но и для стран, и даже для всей человеческой цивилизации.














