• Новейшая шведская технология распознавания отпечатков пальцев - FPC в сочетании с интеллектуальным чипом AI
• 4 -дюймовый дисплей. Угол обзора 140 градусов. Режим -"наблюдение"
• 9 способов разблокировки
• Премиальные умные электронные замки Moorgen T5+ на аккумуляторной батарее.
• Открытие удаленно из русскоязычного приложения Moorgen - кнопкой
• Возможность создания временных паролей (для арендаторов)
• Мобильное русскоязычное приложение Moorgen
• 4-й класс взломостойкости
Предлагаем комплекты замков Moorgen T5+ в четырех модификациях:
• Без врезной части
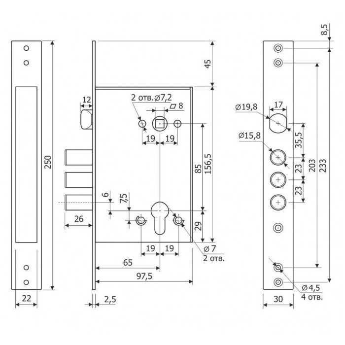
• 3-х ригельный (S8) с врезной частью Moorgen (24*240 мм)
• 7-ми ригельный (S20) с врезной частью Moorgen (40*388 мм)
• С врезной частью Гардиан 32.21
Характеристики:
• Способы открытия: Отпечаток пальца, распознавание лица, пароль, IC-карта, NFC, приложение, ключ
• Запорное устройство: Гардиан 32.21
• Наличие ручки: С ручкой
• Бэксет врезных частей Moorgen: 60 мм
• Дисплей: 4-дюймовый HD-экран
• Камера: 1 Мп HD
• NFC: Есть
• Кол-во отпечатков пальцев: 100
• Кол-во лиц к распознаванию: 50
• Питание: USB Type-C
• Источник питания: 7,4В (литиевая батарея 5000 мАч)
• Срок службы батареи: 8 Месяцев
• Температурный режим: -10 до +60
• Влажность: 20 до 93%
• Цвет: Чёрный
• Дополнительные возможности: Bluetooth-модуль, Мобильное приложение, Умный дом
• Место установки: Для дома, Премиум-апартаменты, Для офиса
Бренд | Moorgen |
Вид оборудования | Замок |
Исполнение | Для помещений |
Тип замка | Электронный замок |
Вид замка | Врезной |
Назначение замка | На любой тип дверей, На дверь в квартиру, Стандартные двери |
Возможность открытия ключом | есть |
Количество форматов идентификации | Мультиформатный |
Метод идентификации | Кодонаборная клавиатура, Бесконтактная карта, Смартфон, Отпечаток пальца, Геометрия лица |
Тип сенсора | Нет данных |
Функционал | Поддержка домофонии, Кнопка звонка, Встроенная видеокамера, Идентификация RFID картой, Идентификация паролем, Идентификация по лицу, Идентификация приложением |
Материал корпуса | Металл / пластик |
Беспроводная связь | Wi-Fi |
Количество отпечатков пальцев | 100 |
Количество шаблонов лиц | 50 |
Клавиатура | С кодовой клавиатурой, Сенсорные кнопки с подсветкой |
Источник питания | Встроенный |
Срок службы батареи | 8 месяцев |
Рабочая температура | от -10°C до +60°C |
Рабочая влажность | не выше 93% |
Цвет | Черный |
Функция «Быстрый заказ» позволяет покупателю не проходить всю процедуру оформления заказа самостоятельно. Вы заполняете форму, и через короткое время вам перезвонит менеджер магазина. Он уточнит все условия заказа, ответит на вопросы, касающиеся качества товара, его особенностей. А также подскажет о вариантах оплаты и доставки.
По результатам звонка, пользователь либо, получив уточнения, самостоятельно оформляет заказ, укомплектовав его необходимыми позициями, либо соглашается на оформление в том виде, в котором есть сейчас. Получает подтверждение на почту или на мобильный телефон и ждёт доставки.
Оформление заказа в стандартном режиме
Если вы уверены в выборе, то можете самостоятельно оформить заказ, заполнив по этапам всю форму.
Заполнение адреса
Выберите из списка название вашего региона и населённого пункта. Если вы не нашли свой населённый пункт в списке, выберите значение «Другое местоположение» и впишите название своего населённого пункта в графу «Город». Введите правильный индекс.
Доставка
В зависимости от места жительства вам предложат варианты доставки. Выберите любой удобный способ. Подробнее об условиях доставки читайте в разделе «Доставка».
Оплата
Выберите оптимальный способ оплаты. Подробнее о всех вариантах читайте в разделе «Оплата»
Покупатель
Введите данные о себе: ФИО, адрес доставки, номер телефона. В поле «Комментарии к заказу» введите сведения, которые могут пригодиться курьеру, например: подъезды в доме считаются справа налево.
Оформление заказа
Проверьте правильность ввода информации: позиции заказа, выбор местоположения, данные о покупателе. Нажмите кнопку «Оформить заказ».
Наш сервис запоминает данные о пользователе, информацию о заказе и в следующий раз предложит вам повторить к вводу данные предыдущего заказа. Если условия вам не подходят, выбирайте другие варианты.
Если Вы хотите узнать об условиях доставки и оплаты, но не желаете о них читать, то Вы можете позвонить любому нашему сотруднику, и он обязательно Вам поможет.
Покупка за безналичный расчет
При оплате за безналичный расчет наш сотрудник свяжется с Вами, чтобы подтвердить заказ и уточнить сроки и адрес доставки. После оформления заказа сотрудник нашей компании вышлет вам счет, по которому необходимо будет произвести оплату.
После оплаты заказа к Вам приедет наш курьер, который доставит ваш заказ.
Самостоятельно забрать заказ из пунктов самовывоза Вы можете после его оплаты по безналичному расчету. Оплата доставки до пунктов выдачи транспортных компаний производится по тарифам выбранной Вами транспортной компании непосредственно в месте получения заказа.
Самовывоз из офиса нашей компании в Зеленограде, так же возможен после предоплаты по безналичному расчету, и предварительной договоренности с менеджером.
Интернет-магазин выполняет доставку любого товара своей собственной Службой доставки.
Стоимость доставки курьером
Стоимость доставки по Москве, Все товары —750 руб., бесплатная доставка от 25000 руб
Стоимость доставки по Московской области рассчитывается для каждого заказа индивидуально и зависит от суммарного веса товаров заказа и удаленности адреса доставки.
Время доставки
Время доставки согласовывается с менеджером Службы доставки, который обязательно свяжется с вами сразу после того, как вы разместите свой заказ.
Для осуществления доставки в регионы России мы пользуемся услугами компаний СДЭК, ЖелДорЭкспедиция, Автотрейдинг, Деловые Линии. В таком случае, указанными кампаниями взимается стоимость доставки по их внутренним тарифам с заказчика при получении товара.
Самовывоз
Забрать товар самостоятельно и абсолютно бесплатно можно только по адресу: Москва, Зеленоград, Панфиловский проспект, дом 10.
Забрать товар самовывозом можно по любому из адресов самовывоза указанных здесь, стоимость доставки до пункта самовывоза рассчитывается для каждого заказа по тарифам транспортных компаний.























































