Цилиндровые механизмы dormakaba E-SP - это стандартные цилиндры на английском профиле ключа с высоким качеством изготовления. Все цилиндровые замки производятся на фабрике в Австрии и предназначены для использования на дверях общего назначения, где не требуется высокий уровень секретности и защиты.
В цилиндре предусмотрена защита от вскрытия отмычкой за счет использования парацентрической нарезки профиля и пинами грибовидной (гантелевидной) формы. Сложная форма профиля ключевины замка препятствует легкому проникновению отмычки во внутрь.
Минимальная партия 10 штук.
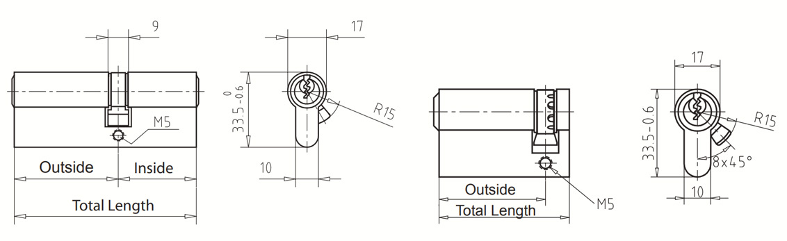
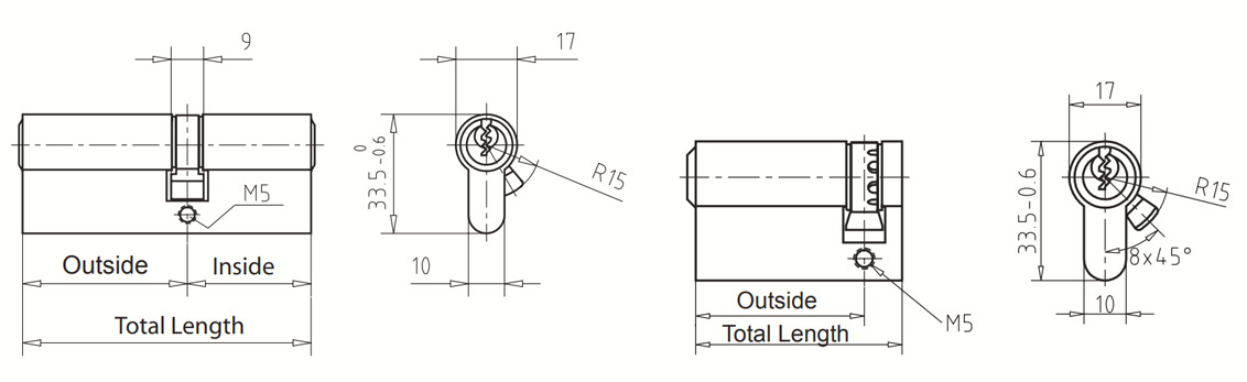
• 5 пинов
• Материал корпуса и пинов - высококачественная латунь
• Секретность 45000 комбинаций
• Сложный парацентрический профиль ключа
• Наличие защитных пинов против вскрытия отмычкой
• Комплектуется 3 или 5 ключами
• Возможно изготовление небольших мастер-систем

Особенности
• Корпус цилиндра и пины выполнены из высокачественной латуни
• Цвета покрытия корпуса: никель (NI) или латунь (MS). Опционально: полированный хром, полированная латунь или бронза.
• Никелерованный латунный ключ
• 5 пинов
• Кулачок стандарта DIN. Возможна замена на шестеренку 10 зубьев
• Возможно создание систем "под один ключ" и небольших мастер-систем.
Технические данные
• Специальный парацентрический профиль ключа Gege (Австрия)
• 45,000 возможных комбинаций
• Европрофильный цилиндровый механизм 17mm E-SP может быть изготовлен в следующих форматах:
- Двусторонний цилиндр
- Цилиндр с вертушкой
- Полуцилиндр

Дополнительные опции
При наличии особых требований к цилиндрам для всей мастер-системы или отдельных дверей, предлагаем Вам ознакомиться с нашим ассортиментом дополнительных опций и специальных исполнений. Более подробная информация указана в разделе специальных функций в каталоге в разделе о системах с реверсивным профилем ключа.
Краткий обзор основных дополнительных опций:
• Оставили ключ в замке?
Не проблема! Цилиндр с функцией антипаники (BSZ)
• Попытка вскрытия снаружи?
Достойный отпор изнутри. Версия с защитой от перелома (LAM)
• Потеряли ключи?
Замена цилиндра не требуется. Цилиндр с перекодировкой (SUZ)
Технические данные:
• Цилиндровый механизм с 5, 6 или 7 секретными пинами с возможностью заказа особого блокирующего пина
• Боковой блокирующий пин
• Блокирующий пин не позволяет использовать неоригинальный ключ
• Сложный профиль и наличие секретного пина особой формы защищают цилиндр от вскрытия
• Наличие штифтов из закаленной стали в корпусе и плаге цилиндра защищают его от высверливания
Характеристики:
• Тип цилиндра : Пиновый
• Количество пинов: 5
• Тип ключа: Английский
• Секретность: 45 000 комбинаций
• Материал корпуса : Латунь
• Материал ключа: Латунь, никелированный
• Защита от вскрытия отмычкой: Да, грибовидные пины, сложный профиль
• Защита от бампинга: Нет
• Защита от высверливания: Нет
• Защита от перелома: Нет
• Защита ключа от копирования: Нет
• Сертификация: EN 1303, ГОСТ Р 5089-2011, ГОСТ 538-2014 (4 класс)
• Возможности мастеризации: Да, S (небольшие мастер-системы)
• Варианты покрытия: Никель (Ni), Латунь (MS). Опционально: полированный хром, полированная латунь, бронза, чёрный
• Гарантия : 2 года
• Производитель: dormakaba, Австрия
• Комплектация: Цилиндровый механизм, 3 или никель, 5 ключей (указывать в заказе), карта клиента,
инструкция, упаковка
• Минимальная партия - 10 шт./позиция
• Дополнительно: Компания предлагает широкий выбор опций и защитных функций, различные форматы корпусов и ключей.
Дополнительные опции:
• Ключ ESP вместе с цилиндром
• Ключ ESP отдельно
• Вертушка oval knob NI (OK), round knob (RK), angular knob (EK), oval profile knob (OPK)
• Функция Антипаники BSZ
• Каждые дополнительные 5 мм корпуса
• Превышение общего размера >120 mm или с одной стороны >75 mm
• Шестеренка на 10 зубьев ZR
• Цвета полированный хром (CRP), полированная латунь (MP) или бронзу (BM)
• Чёрный цвет (BKM)
Доступные размеры:
• ESP 55 ( 27,5+27,5 ) ESP/DZ/5/27,5/27,5/Ni/5 ind.keys
• ESP 60 ( 30+30 ) ESP/DZ/5/30/30/Ni/5 ind.keys
• ESP 65 ( 30+35 ) ESP/DZ/5/30/35/Ni/5 ind.keys
• ESP 70 ( 30+40 ) ESP/DZ/5/30/40/Ni/5 ind.keys
• ESP 70 ( 35+35 ) ESP/DZ/5/35/35/Ni/5 ind.keys
• ESP 75 ( 30+45 ) ESP/DZ/5/30/45/Ni/5 ind.keys
• ESP 75 ( 35+40 ) ESP/DZ/5/35/40/Ni/5 ind.keys
• ESP 80 ( 30+50 ) ESP/DZ/5/30/50/Ni/5 ind.keys
• ESP 80 ( 35+45 ) ESP/DZ/5/35/45/Ni/5 ind.keys
• ESP 80 ( 40+40 ) ESP/DZ/5/40/40/Ni/5 ind.keys
• ESP 85 ( 30+55 ) ESP/DZ/5/30/55/Ni/5 ind.keys
• ESP 85 ( 35+50 ) ESP/DZ/5/35/50/Ni/5 ind.keys
• ESP 85 ( 40+45 ) ESP/DZ/5/40/45/Ni/5 ind.keys
• ESP 90 ( 30+60 ) ESP/DZ/5/30/60/Ni/5 ind.keys
• ESP 90 ( 35+55 ) ESP/DZ/5/35/55/Ni/5 ind.keys
• ESP 90 ( 40+50 ) ESP/DZ/5/40/50/Ni/5 ind.keys
• ESP 90 ( 45+45 ) ESP/DZ/5/45/45/Ni/5 ind.keys
• ESP 95 ( 30+65 ) ESP/DZ/5/30/65/Ni/5 ind.keys
• ESP 95 ( 35+60 ) ESP/DZ/5/35/60/Ni/5 ind.keys
• ESP 95 ( 40+55 ) ESP/DZ/5/40/55/Ni/5 ind.keys
• ESP 95 ( 45+50 ) ESP/DZ/5/45/50/Ni/5 ind.keys
• ESP 100 ( 30+70 ) ESP/DZ/5/30/70/Ni/5 ind.keys
• ESP 100 ( 35+65 ) ESP/DZ/5/35/65/Ni/5 ind.keys
• ESP 100 ( 40+60 ) ESP/DZ/5/40/60/Ni/5 ind.keys
• ESP 100 ( 45+55 ) ESP/DZ/5/45/55/Ni/5 ind.keys
• ESP 100 ( 50+50 ) ESP/DZ/5/50/50/Ni/5 ind.keys
• ESP 105 ( 35+70 ) ESP/DZ/5/35/70/Ni/5 ind.keys
• ESP 105 ( 40+65 ) ESP/DZ/5/40/65/Ni/5 ind.keys
• ESP 105 ( 45+60 ) ESP/DZ/5/45/60/Ni/5 ind.keys
• ESP 105 ( 50+55 ) ESP/DZ/5/50/55/Ni/5 ind.keys
• ESP 110 ( 40+70 ) ESP/DZ/5/40/70/Ni/5 ind.keys
• ESP 110 ( 45+65 ) ESP/DZ/5/45/65/Ni/5 ind.keys
• ESP 110 ( 50+60 ) ESP/DZ/5/50/60/Ni/5 ind.keys
• ESP 110 ( 55+55 ) ESP/DZ/5/55/55/Ni/5 ind.keys
• ESP 115 ( 45+70 ) ESP/DZ/5/45/70/Ni/5 ind.keys
• ESP 115 ( 50+65 ) ESP/DZ/5/50/65/Ni/5 ind.keys
• ESP 115 ( 55+60 ) ESP/DZ/5/55/60/Ni/5 ind.keys
• ESP 120 ( 50+70 ) ESP/DZ/5/50/70/Ni/5 ind.keys
• ESP 120 ( 55+65 ) ESP/DZ/5/55/65/Ni/5 ind.keys
• ESP 120 ( 60+60 ) ESP/DZ/5/60/60/Ni/5 ind.keys
Бренд | dormakaba |
Вид оборудования | Цилиндр |
Вид цилиндра | Механический |
Количество пинов | 5 |
Секретность | 45 000 комбинаций |
Тип ключа | Английский |
Защита | От вскрытия отмычкой |
Тип закрывания | Ключ-ключ |
Материал корпуса | Латунь |
Материал ключа | Латунь, никелированный |
Сертификаты | EN 1303, ГОСТ Р 5089-2011, ГОСТ 538-2014 (4 класс) |
Гарантия | 2 года |
Страна производства | Австрия |
Функция «Быстрый заказ» позволяет покупателю не проходить всю процедуру оформления заказа самостоятельно. Вы заполняете форму, и через короткое время вам перезвонит менеджер магазина. Он уточнит все условия заказа, ответит на вопросы, касающиеся качества товара, его особенностей. А также подскажет о вариантах оплаты и доставки.
По результатам звонка, пользователь либо, получив уточнения, самостоятельно оформляет заказ, укомплектовав его необходимыми позициями, либо соглашается на оформление в том виде, в котором есть сейчас. Получает подтверждение на почту или на мобильный телефон и ждёт доставки.
Оформление заказа в стандартном режиме
Если вы уверены в выборе, то можете самостоятельно оформить заказ, заполнив по этапам всю форму.
Заполнение адреса
Выберите из списка название вашего региона и населённого пункта. Если вы не нашли свой населённый пункт в списке, выберите значение «Другое местоположение» и впишите название своего населённого пункта в графу «Город». Введите правильный индекс.
Доставка
В зависимости от места жительства вам предложат варианты доставки. Выберите любой удобный способ. Подробнее об условиях доставки читайте в разделе «Доставка».
Оплата
Выберите оптимальный способ оплаты. Подробнее о всех вариантах читайте в разделе «Оплата»
Покупатель
Введите данные о себе: ФИО, адрес доставки, номер телефона. В поле «Комментарии к заказу» введите сведения, которые могут пригодиться курьеру, например: подъезды в доме считаются справа налево.
Оформление заказа
Проверьте правильность ввода информации: позиции заказа, выбор местоположения, данные о покупателе. Нажмите кнопку «Оформить заказ».
Наш сервис запоминает данные о пользователе, информацию о заказе и в следующий раз предложит вам повторить к вводу данные предыдущего заказа. Если условия вам не подходят, выбирайте другие варианты.
Если Вы хотите узнать об условиях доставки и оплаты, но не желаете о них читать, то Вы можете позвонить любому нашему сотруднику, и он обязательно Вам поможет.
Покупка за безналичный расчет
При оплате за безналичный расчет наш сотрудник свяжется с Вами, чтобы подтвердить заказ и уточнить сроки и адрес доставки. После оформления заказа сотрудник нашей компании вышлет вам счет, по которому необходимо будет произвести оплату.
После оплаты заказа к Вам приедет наш курьер, который доставит ваш заказ.
Самостоятельно забрать заказ из пунктов самовывоза Вы можете после его оплаты по безналичному расчету. Оплата доставки до пунктов выдачи транспортных компаний производится по тарифам выбранной Вами транспортной компании непосредственно в месте получения заказа.
Самовывоз из офиса нашей компании в Зеленограде, так же возможен после предоплаты по безналичному расчету, и предварительной договоренности с менеджером.
Интернет-магазин выполняет доставку любого товара своей собственной Службой доставки.
Стоимость доставки курьером
Стоимость доставки по Москве, Все товары —750 руб., бесплатная доставка от 25000 руб
Стоимость доставки по Московской области рассчитывается для каждого заказа индивидуально и зависит от суммарного веса товаров заказа и удаленности адреса доставки.
Время доставки
Время доставки согласовывается с менеджером Службы доставки, который обязательно свяжется с вами сразу после того, как вы разместите свой заказ.
Для осуществления доставки в регионы России мы пользуемся услугами компаний СДЭК, ЖелДорЭкспедиция, Автотрейдинг, Деловые Линии. В таком случае, указанными кампаниями взимается стоимость доставки по их внутренним тарифам с заказчика при получении товара.
Самовывоз
Забрать товар самостоятельно и абсолютно бесплатно можно только по адресу: Москва, Зеленоград, Панфиловский проспект, дом 10.
Забрать товар самовывозом можно по любому из адресов самовывоза указанных здесь, стоимость доставки до пункта самовывоза рассчитывается для каждого заказа по тарифам транспортных компаний.







