Новый премиальный дизайн для уникальной технологии, проверенной временем, открывает широкие возможности по интеграции в любой интерьер, обеспечивая гармоничное сочетание форм, цветов и вариантов отделки дверной техники, фурнитуры, систем крепления стекла и электронных компонентов систем контроля доступа. На выбор доступны различные сменные декоративные крышки и панели.
Модернизированные доводчики TS 92 XEA могут применяться на противопожарных дверях, а также отвечают требованиям норм по безбарьерному строительству DIN SPEC 1104 и DIN 18040. Идеально подходят для внутренних дверей различной конструкции (сплошных, профильных и цельностеклянных), обеспечивая плавный бесшумный дохлоп. Несимметричный кулачок патентованной конструкции гарантирует лёгкое открывание и надёжное закрывание дверей с уплотнениями.
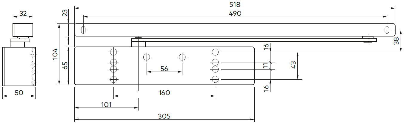
Скользящая тяга поставляется отдельно.
Особенности модернизированного дверного доводчика TS 92 XEA:
• универсальный накладной монтаж с использованием двух версий доводчика B и G;
• современный утончённый XEA Design;
• возможна установка на цельностеклянные двери с использованием специального адаптера в сочетании с фурнитурой Office Classic;
• регулируемое усилие EN1-4 для дверных створок шириной до 1100 мм (идеально подходит для создания доступной среды);
• независимо регулируемые скорости закрывания в диапазонах 180º - 15º и 15º - 0º;
• прошёл испытания согласно EN 1154
TS 92 XEA Design EN 1-4 dormakaba универсальный дверной доводчик с возможностью установки на цельностеклянные типы дверей, поэтому наиболее популярным будет его размещение на межкомнатной двери. Принцип действия доводчика заключается в поддержании максимальной плотности прилегания дверного полотна к раме путем периодического перемещения штока. Оптимальный баланс между работой доводчиков и сохранения дверных проемов обеспечивается использованием двух фиксированных передаточных механизмов и регулируемым тормозным усилием. Товар прошел испытания согласно ГОСТу.
Данная модель представлена в черном, белом, золотом и стальном цвете. Клиент также может выбрать как модель без тяги, так и вариант со встроенным скользящим каналом. Благодаря регулируемому усилию EN1-4 для дверных створок шириной до 1100 мм данный вариант является оптимальным для формирования доступной среды.
Характеристики:
• Вес двери: 80 кг
• Регулируемое усилие закрывания: EN 1-4
• Ширина двери: 1100 мм
• Направление открывания двери: Правые и левые двери
• Высота: 65 мм
• Глубина: 50 мм
• Длина: 305 мм
• Сертифицирован в соответствии с: EN 1154
• Одностворчатый двери: Да
• Рабочая температура: -15 – +40°С
Доступные модели:
• Дов-к клч. TS 92 XEA 1-4 B серый P600 (42200101)
• Дов-к клч. TS 92 XEA 1-4 B под нерж.ст. P700 (42200104)
• Дов-к клч. TS 92 XEA 1-4 B золотой P750 (42200105)
• Дов-к клч. TS 92 XEA 1-4 B RAL P000 (42200109)
• Дов-к клч. TS 92 XEA 1-4 B белый P210 (42200110)
• Дов-к клч. TS 92 XEA 1-4 B белый P100 (42200111)
• Дов-к клч. TS 92 XEA 1-4 B чёрный P190 (42200119)
• Дов-к клч. TS 92 XEA 1-4 G серый P600 (42210101)
• Дов-к клч. TS 92 XEA 1-4 G под нерж.ст. P700 (42210104)
• Дов-к клч. TS 92 XEA 1-4 G золотой P750 (42210105)
• Дов-к клч. TS 92 XEA 1-4 G RAL P000 (42210109)
• Дов-к клч. TS 92 XEA 1-4 G белый P210 (42210110)
• Дов-к клч. TS 92 XEA 1-4 G белый P100 (42210111)
• Дов-к клч. TS 92 XEA 1-4 G чёрный P190 (42210119)
Бренд доводчика | dormakaba |
Вид товара | Доводчик |
Вид доводчика | Накладной |
Исполнение доводчика | Для помещений |
Стандарт EN1154 | EN1 - EN4 |
Макс. вес двери, кг | 80 |
Макс. ширина двери, мм | 1100 |
Фиксация в открытом положении | Нет |
Серия доводчиков | dormakaba TS |
Свойства | Со скользящей тягой |
Габариты | 305х65х50 мм |
Рабочая температура | от -15°C до +40°C |
Цвет | Металл |
Противопожарный | Да |
Гарантия | 1 год |
Страна производства | Германия |
Функция «Быстрый заказ» позволяет покупателю не проходить всю процедуру оформления заказа самостоятельно. Вы заполняете форму, и через короткое время вам перезвонит менеджер магазина. Он уточнит все условия заказа, ответит на вопросы, касающиеся качества товара, его особенностей. А также подскажет о вариантах оплаты и доставки.
По результатам звонка, пользователь либо, получив уточнения, самостоятельно оформляет заказ, укомплектовав его необходимыми позициями, либо соглашается на оформление в том виде, в котором есть сейчас. Получает подтверждение на почту или на мобильный телефон и ждёт доставки.
Оформление заказа в стандартном режиме
Если вы уверены в выборе, то можете самостоятельно оформить заказ, заполнив по этапам всю форму.
Заполнение адреса
Выберите из списка название вашего региона и населённого пункта. Если вы не нашли свой населённый пункт в списке, выберите значение «Другое местоположение» и впишите название своего населённого пункта в графу «Город». Введите правильный индекс.
Доставка
В зависимости от места жительства вам предложат варианты доставки. Выберите любой удобный способ. Подробнее об условиях доставки читайте в разделе «Доставка».
Оплата
Выберите оптимальный способ оплаты. Подробнее о всех вариантах читайте в разделе «Оплата»
Покупатель
Введите данные о себе: ФИО, адрес доставки, номер телефона. В поле «Комментарии к заказу» введите сведения, которые могут пригодиться курьеру, например: подъезды в доме считаются справа налево.
Оформление заказа
Проверьте правильность ввода информации: позиции заказа, выбор местоположения, данные о покупателе. Нажмите кнопку «Оформить заказ».
Наш сервис запоминает данные о пользователе, информацию о заказе и в следующий раз предложит вам повторить к вводу данные предыдущего заказа. Если условия вам не подходят, выбирайте другие варианты.
Если Вы хотите узнать об условиях доставки и оплаты, но не желаете о них читать, то Вы можете позвонить любому нашему сотруднику, и он обязательно Вам поможет.
Покупка за безналичный расчет
При оплате за безналичный расчет наш сотрудник свяжется с Вами, чтобы подтвердить заказ и уточнить сроки и адрес доставки. После оформления заказа сотрудник нашей компании вышлет вам счет, по которому необходимо будет произвести оплату.
После оплаты заказа к Вам приедет наш курьер, который доставит ваш заказ.
Самостоятельно забрать заказ из пунктов самовывоза Вы можете после его оплаты по безналичному расчету. Оплата доставки до пунктов выдачи транспортных компаний производится по тарифам выбранной Вами транспортной компании непосредственно в месте получения заказа.
Самовывоз из офиса нашей компании в Зеленограде, так же возможен после предоплаты по безналичному расчету, и предварительной договоренности с менеджером.
Интернет-магазин выполняет доставку любого товара своей собственной Службой доставки.
Стоимость доставки курьером
Стоимость доставки по Москве, Все товары —750 руб., бесплатная доставка от 25000 руб
Стоимость доставки по Московской области рассчитывается для каждого заказа индивидуально и зависит от суммарного веса товаров заказа и удаленности адреса доставки.
Время доставки
Время доставки согласовывается с менеджером Службы доставки, который обязательно свяжется с вами сразу после того, как вы разместите свой заказ.
Для осуществления доставки в регионы России мы пользуемся услугами компаний СДЭК, ЖелДорЭкспедиция, Автотрейдинг, Деловые Линии. В таком случае, указанными кампаниями взимается стоимость доставки по их внутренним тарифам с заказчика при получении товара.
Самовывоз
Забрать товар самостоятельно и абсолютно бесплатно можно только по адресу: Москва, Зеленоград, Панфиловский проспект, дом 10.
Забрать товар самовывозом можно по любому из адресов самовывоза указанных здесь, стоимость доставки до пункта самовывоза рассчитывается для каждого заказа по тарифам транспортных компаний.















