Калитки К22 класса "Люкс" предназначены для формирования потоков людей в супермаркетах, на проходных предприятий, организаций и государственных органов, аттракционах, музеях и др.
Калитки К21пр, К21лв – односторонние:
– правые, поворот дуги возможен по часовой стрелке при виде сверху
– левые, поворот дуги возможен против часовой стрелки при виде сверху)
При попытке пройти в обратном направлении они представляют собой преграду. На пластиковой вставке односторонних калиток с одной стороны изображена стрелка, с другой стороны - знак запрета.
Калитки К22 – двухсторонние:
- обеспечивают пропуск в любом из двух направлений ("вход" и "выход").
По условиям применения калитки соответствуют группе УХЛ 4.2 по ГОСТ 15150-69. Калитки предназначены для эксплуатации внутри помещения при температуре от +1°С до +50°С. Калитки из нержавеющей стали (К22-Нерж, К21лв-Нерж, К21пр-Нерж) предназначены для эксплуатации вне помещений под навесом при температуре от -30°С до +50°С.
Преимуществами калиток серии К2 являются:
• Классический изящный дизайн
• Высокая долговечность благодаря встроенному гидродоводчику
• Плавность и бесшумность работы
• Корпус калитки изготовлен из стали, окрашенной порошковым методом в любой цвет по RAL (стандартный цвет – «серебряный антик»), преграждающая дуга - из хромированной или нержавеющей стали
• Может комплектоваться ограждениями, выполненными с ней в едином дизайне и стыкуемыми со стойкой калитки
• Могут иметь механическую блокировку дуги
Характеристики:
• Габаритные размеры калитки (ширина×длина× высота):
- без дуги: 190×190×1090 мм
- с дугой 660 мм: 815×190×1090 мм
• Ширина перекрываемого прохода (для дуги 660 мм): 815мм
• Масса калитки, кг: 23
• Время закрытия: 3-4с
• Допустимые статические усилия на середине преграждающей дуги, не более: 60 кгс
• Срок эксплуатации, не менее: 8 лет
*для стандартной дуги 660 мм
Устройство и принцип работы
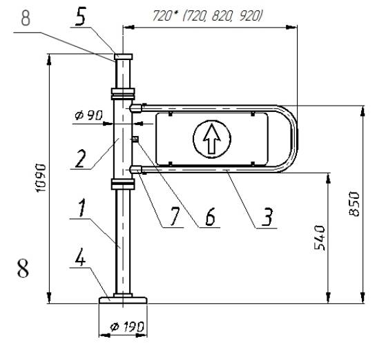
Калитка состоит из стойки 1, на которой смонтирован поворотный механизм 2. С поворотным механизмом соединена дуга 3, которая служит для перекрытия прохода. В нижней части стойки 1 расположен кожух 4, под которым находится фланец для крепления калитки к полу. Вверху стойка закрыта крышкой 5.

Дуга 3 вращается вместе с поворотным механизмом 2 вокруг вертикальной оси стойки 1 и под действием пружины устанавливается в положение перекрытия прохода.
Гидродоводчик обеспечивает плавное движение дуги.
В качестве дополнительной опции для фиксирования дуги калитки в закрытом или открытом положении устанавливается замок-стопор поз. 6 (возможны два исполнения: английский замок или стопор-штырь) на поворотном механизме со стороны дуги.
Калитка может быть состыкована с ограждением с помощью разрезных колец, которые одеваются на стойку калитки и стягиваются винтами. Верхняя горизонтальная перемычка стыкуется с калиткой на стандартной высоте ограждений «Ростов-Дон» (965 мм). Нижняя горизонтальная перемычка подсоединяется к калитке на нестандартной высоте 425 мм, поэтому для нее нужна нестандартная стойка, изготавливаемая под заказ. Разрезное кольцо допускает подсоединение только одной перемычки.
Подготовка к работе и порядок установки
Распакуйте калитку, проверьте ее комплектность.
Сделайте разметку в полу под крепежные (анкерные) болты по отверстиям во фланце, установив калитку на ее рабочее место. Подготовьте и закрепите крепежные (анкерные) болты.

Установите стойку калитки, с помощью отвеса убедитесь в вертикальности положении стойки. Отклонение калитки от вертикали должно быть не более 5 мм.
Установите на место дугу 3. Для этого наденьте дугу на специальные пальцы, закройте место соединения декоративными втулками 7, зафиксируйте дугу винтами М8 шестигранным ключом №6 и декоративные втулки установочными винтами. Для регулировки скорости возврата дуги нужно ослабить винт 8, снять крышку 5 и отрегулировать натяжение пружины.
После завершения монтажа калитка готова к работе.
Правила эксплуатации
При эксплуатации не допускается:
- использование абразивных и химически активных веществ (в том числе ацетона, бензина, растворителей, хлорсодержащих и кислотосодержащих моющих веществ) для очистки наружных поверхностей калитки; для ухода за калиткой
- перемещение через зону прохода калитки предметов, превышающих ширину проема прохода; рекомендуется периодически протирать наружные поверхности из хромированной и нержавеющей стали полиролем для хрома;
- прикладывание к преграждающим дугам усилий, превышающих паспортное значение.
Комплект поставки:
• Стойка калитки - 1 шт.
• Паспорт. Руководство по эксплуатации - 1 шт.
Дуга с декоративной вставкой (створка) поставляется отдельно.
Бренд | Ростов-Дон |
Вид калитки | Полуростовая |
Исполнение | Для помещений |
Тип калитки | Механическая |
Направление поворота | В обе стороны |
Материал | Окрашенная сталь |
Габариты | 815×190×1090 мм |
Ширина перекрываемого прохода | 815 мм |
Вес, кг | 23 |
Рабочая температура | от +1°C до +40°C |
Средний срок службы | Не менее 8 лет |
Гарантия | 2 года |
Страна производства | Россия |
Функция «Быстрый заказ» позволяет покупателю не проходить всю процедуру оформления заказа самостоятельно. Вы заполняете форму, и через короткое время вам перезвонит менеджер магазина. Он уточнит все условия заказа, ответит на вопросы, касающиеся качества товара, его особенностей. А также подскажет о вариантах оплаты и доставки.
По результатам звонка, пользователь либо, получив уточнения, самостоятельно оформляет заказ, укомплектовав его необходимыми позициями, либо соглашается на оформление в том виде, в котором есть сейчас. Получает подтверждение на почту или на мобильный телефон и ждёт доставки.
Оформление заказа в стандартном режиме
Если вы уверены в выборе, то можете самостоятельно оформить заказ, заполнив по этапам всю форму.
Заполнение адреса
Выберите из списка название вашего региона и населённого пункта. Если вы не нашли свой населённый пункт в списке, выберите значение «Другое местоположение» и впишите название своего населённого пункта в графу «Город». Введите правильный индекс.
Доставка
В зависимости от места жительства вам предложат варианты доставки. Выберите любой удобный способ. Подробнее об условиях доставки читайте в разделе «Доставка».
Оплата
Выберите оптимальный способ оплаты. Подробнее о всех вариантах читайте в разделе «Оплата»
Покупатель
Введите данные о себе: ФИО, адрес доставки, номер телефона. В поле «Комментарии к заказу» введите сведения, которые могут пригодиться курьеру, например: подъезды в доме считаются справа налево.
Оформление заказа
Проверьте правильность ввода информации: позиции заказа, выбор местоположения, данные о покупателе. Нажмите кнопку «Оформить заказ».
Наш сервис запоминает данные о пользователе, информацию о заказе и в следующий раз предложит вам повторить к вводу данные предыдущего заказа. Если условия вам не подходят, выбирайте другие варианты.
Если Вы хотите узнать об условиях доставки и оплаты, но не желаете о них читать, то Вы можете позвонить любому нашему сотруднику, и он обязательно Вам поможет.
Покупка за безналичный расчет
При оплате за безналичный расчет наш сотрудник свяжется с Вами, чтобы подтвердить заказ и уточнить сроки и адрес доставки. После оформления заказа сотрудник нашей компании вышлет вам счет, по которому необходимо будет произвести оплату.
После оплаты заказа к Вам приедет наш курьер, который доставит ваш заказ.
Самостоятельно забрать заказ из пунктов самовывоза Вы можете после его оплаты по безналичному расчету. Оплата доставки до пунктов выдачи транспортных компаний производится по тарифам выбранной Вами транспортной компании непосредственно в месте получения заказа.
Самовывоз из офиса нашей компании в Зеленограде, так же возможен после предоплаты по безналичному расчету, и предварительной договоренности с менеджером.
Интернет-магазин выполняет доставку любого товара своей собственной Службой доставки.
Стоимость доставки курьером
Стоимость доставки по Москве, Все товары —750 руб., бесплатная доставка от 25000 руб
Стоимость доставки по Московской области рассчитывается для каждого заказа индивидуально и зависит от суммарного веса товаров заказа и удаленности адреса доставки.
Время доставки
Время доставки согласовывается с менеджером Службы доставки, который обязательно свяжется с вами сразу после того, как вы разместите свой заказ.
Для осуществления доставки в регионы России мы пользуемся услугами компаний СДЭК, ЖелДорЭкспедиция, Автотрейдинг, Деловые Линии. В таком случае, указанными кампаниями взимается стоимость доставки по их внутренним тарифам с заказчика при получении товара.
Самовывоз
Забрать товар самостоятельно и абсолютно бесплатно можно только по адресу: Москва, Зеленоград, Панфиловский проспект, дом 10.
Забрать товар самовывозом можно по любому из адресов самовывоза указанных здесь, стоимость доставки до пункта самовывоза рассчитывается для каждого заказа по тарифам транспортных компаний.









