у нашего специалиста и он
подберет вам аналогЗаказать звонок
Комплект поставки:
• Сенсорный барьер 2 прохода
• Комплект светофоров Красн./Зелен. (на обе стороны)
• Программный переключатель OPL05 с корпусом
• Монтажный набор
• Упаковка
При заказе нескольких групп барьеров (например Группа на 2 прохода + Группа на 3 прохода), стоимость считается по сумме проходов (в данном примере = 5).
Группы на большее число проходов рассчитываются индивидуально.
Также доступна бесплатная опция "Увеличенная ширина прохода 900 мм" (нужно оговаривать в момент заказа).
Сегодня в Европе наиболее востребована концепция свободного и комфортного доступа без касания любого типа препятствий. Для решения данной задачи идеально подходят сенсорные барьеры HSB, предназначенные для контроля доступа персонала и посетителей в административных и офисных зданиях, в аэропортах и бизнес-центрах. Данные устройства представляют собой контролируемый сенсорами проход с распашными створками. При получении сигнала разрешения прохода створки очень быстро открываются по направлению прохода и обеспечивают комфортный проход.
Турникеты серии Argus обеспечивают безопасный и удобный доступ посетителей, пользователей с багажом, могут использоваться для организации эвакуационного прохода.
Для лиц, передвигающихся на инвалидных колясках, предлагаются решения с увеличенной шириной прохода (у HSB) или автоматические распашные калитки в аналогичном дизайне (HSG).
Сенсорный барьер dormakaba Argus HSB-E12 отличается увеличенной высотой исполнения створок. Данный турникет был специально разработан для установки в особо контролируемых зонах доступа с повышенными требованиями к защите от несанкционированного прохода. Высота дверных створок 1600 мм, представляет собой большое физическое и одновременно психологическое препятствие. Сенсорный шлюз Argus HSB-E12 оснащен надежными сверхчувствительными сенсорными датчиками, которые строго контролируют проход «по одному» и исключают момент перепрыгивания. Оборудование выполнено из нержавеющей стали с боковым наполнением из стекла. Дверные створки выполнены из легкого прозрачного поликарбоната и, несмотря на их величину, осуществляют быстрое движение. Сенсорные барьеры могут быть оснащены различными типами считывающих систем и системами верификации.
Барьер предназначен для физического разделения пространства на зоны. Как правило, сенсорный барьер работает в составе системы контроля доступом (СКД). Пользователь, проходя через барьер, переходит из первой зоны (например, снаружи) во вторую зону (например, внутрь). Целью является ситуация, когда при помощи одного разрешения на проход в защищаемую зону может пройти только один человек. Для этого разделения и применяется сенсорный барьер. Часто контроль с помощью СКД необходим только для входа в защищаемую зону. Тогда для выхода может использоваться кнопка.
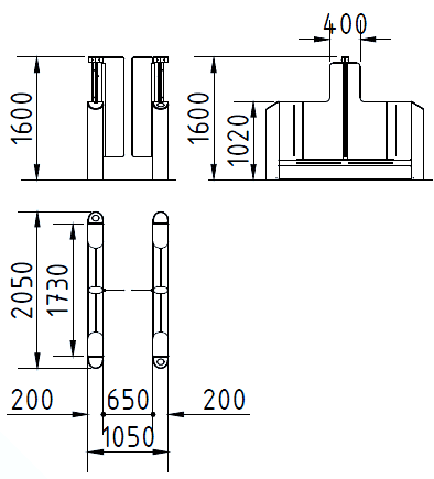
Технические характеристики dormakaba Argus HSB-E12
• Вариант: два прохода;
• Длина: 2050 мм;
• Высота створок: 1600 мм;
• Пропускная способность: до 40 человек в минуту;
• Степень безопасности: 0 (упрощенные сенсорные датчики, укороченный корпус с контролем индивидуального прохода в обоих направлениях);
• Корпус: Прямоугольные стойки из нержавеющей стали со стеклянным наполнением;
• Стойки: Нержавеющая сталь;
• Створки: Поликарбонат;
• Режим работы: День/Ночь;
• Не подходит для уличной установки
Почему именно полуростовые сенсорные барьеры Argus?
• Комфортный проход, даже если вы с сумками и багажом;
• Никакого контакта с преграждающими элементами;
• Высокая пропускная способность при высокой степени индивидуальной защиты;
• Различные уровни безопасности;
• Многообразие вариантов форм, цвета и фактуры;
• Высокое одобрение пользователей;
• Модульная система с базовыми модулями и модулями расширения.
Бренд турникета | dormakaba |
Вид турникета | Турникет |
Тип турникета | C распашными створками |
Тип корпуса турникета | Двухпроходной, Напольный |
Тип привода турникета | Электромоторный |
Исполнение турникета | Для помещений |
Материал корпуса турникета | Нержавеющая сталь |
Преграждающие планки/створки | Стандартные, в комплекте, Увеличенной высоты, в комплекте, Створки |
Тип блокировки | Нормально закрытый (НЗ), Нормально открытый (НО) |
Встроенный картоприемник | Нет |
Встроенные считыватели | Без считывателей |
Пропускная способность | 40 чел/мин |
Пульт управления | Приобретается отдельно |
Габариты | 2050х900х1600 мм |
Ширина прохода | 650 мм |
Цвет | Металл |
Гарантия | 1 год |
Страна производства | Германия |
Функция «Быстрый заказ» позволяет покупателю не проходить всю процедуру оформления заказа самостоятельно. Вы заполняете форму, и через короткое время вам перезвонит менеджер магазина. Он уточнит все условия заказа, ответит на вопросы, касающиеся качества товара, его особенностей. А также подскажет о вариантах оплаты и доставки.
По результатам звонка, пользователь либо, получив уточнения, самостоятельно оформляет заказ, укомплектовав его необходимыми позициями, либо соглашается на оформление в том виде, в котором есть сейчас. Получает подтверждение на почту или на мобильный телефон и ждёт доставки.
Оформление заказа в стандартном режиме
Если вы уверены в выборе, то можете самостоятельно оформить заказ, заполнив по этапам всю форму.
Заполнение адреса
Выберите из списка название вашего региона и населённого пункта. Если вы не нашли свой населённый пункт в списке, выберите значение «Другое местоположение» и впишите название своего населённого пункта в графу «Город». Введите правильный индекс.
Доставка
В зависимости от места жительства вам предложат варианты доставки. Выберите любой удобный способ. Подробнее об условиях доставки читайте в разделе «Доставка».
Оплата
Выберите оптимальный способ оплаты. Подробнее о всех вариантах читайте в разделе «Оплата»
Покупатель
Введите данные о себе: ФИО, адрес доставки, номер телефона. В поле «Комментарии к заказу» введите сведения, которые могут пригодиться курьеру, например: подъезды в доме считаются справа налево.
Оформление заказа
Проверьте правильность ввода информации: позиции заказа, выбор местоположения, данные о покупателе. Нажмите кнопку «Оформить заказ».
Наш сервис запоминает данные о пользователе, информацию о заказе и в следующий раз предложит вам повторить к вводу данные предыдущего заказа. Если условия вам не подходят, выбирайте другие варианты.
Если Вы хотите узнать об условиях доставки и оплаты, но не желаете о них читать, то Вы можете позвонить любому нашему сотруднику, и он обязательно Вам поможет.
Покупка за безналичный расчет
При оплате за безналичный расчет наш сотрудник свяжется с Вами, чтобы подтвердить заказ и уточнить сроки и адрес доставки. После оформления заказа сотрудник нашей компании вышлет вам счет, по которому необходимо будет произвести оплату.
После оплаты заказа к Вам приедет наш курьер, который доставит ваш заказ.
Самостоятельно забрать заказ из пунктов самовывоза Вы можете после его оплаты по безналичному расчету. Оплата доставки до пунктов выдачи транспортных компаний производится по тарифам выбранной Вами транспортной компании непосредственно в месте получения заказа.
Самовывоз из офиса нашей компании в Зеленограде, так же возможен после предоплаты по безналичному расчету, и предварительной договоренности с менеджером.
Интернет-магазин выполняет доставку любого товара своей собственной Службой доставки.
Стоимость доставки курьером
Стоимость доставки по Москве, Все товары —750 руб., бесплатная доставка от 25000 руб
Стоимость доставки по Московской области рассчитывается для каждого заказа индивидуально и зависит от суммарного веса товаров заказа и удаленности адреса доставки.
Время доставки
Время доставки согласовывается с менеджером Службы доставки, который обязательно свяжется с вами сразу после того, как вы разместите свой заказ.
Для осуществления доставки в регионы России мы пользуемся услугами компаний СДЭК, ЖелДорЭкспедиция, Автотрейдинг, Деловые Линии. В таком случае, указанными кампаниями взимается стоимость доставки по их внутренним тарифам с заказчика при получении товара.
Самовывоз
Забрать товар самостоятельно и абсолютно бесплатно можно только по адресу: Москва, Зеленоград, Панфиловский проспект, дом 10.
Забрать товар самовывозом можно по любому из адресов самовывоза указанных здесь, стоимость доставки до пункта самовывоза рассчитывается для каждого заказа по тарифам транспортных компаний.













