В турникетах этой модификации используется цифровой магнитный датчик углового положения механизма и лопастей турникета. Турникет управляется с пульта дистанционного управления (ПДУ) и обеспечивает пропуск в любом из двух направлений как по одному человеку, так и группы людей.
Полноростовые роторные турникеты «Ростов-Дон» являются прекрасным средством надежного контроля доступа, полностью исключающим возможность несанкционированного прохода через них. Они широко используются для организации прохода на объектах с повышенной режимностью, предприятиях и в других местах массового скопления людей.
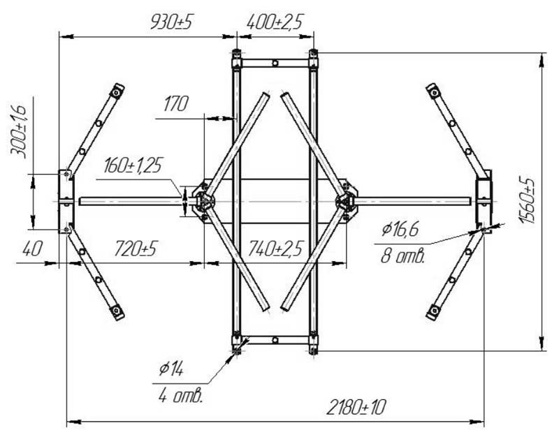
Преимуществом двухпроходного турникета перед двумя однопроходными турникетами является то, что при одинаковой пропускной способности двухпроходной турникет немного дешевле и, главное, требует на 30-40% меньше места (ширина двух однопроходных турникетов составляет 1,5 + 1,5 = 3,0 м, а ширина двухпроходного турникета 2,21 м).
Комплект поставки:• Турникет: 1 шт.
• Пульт дистанционного управления (ПДУ): 2 шт.
• Ключи расфиксации турникетов: 8 шт.
• Штанги для трехлопастного турникета: 54 шт.
• Паспорт. Руководство по эксплуатации: 1 шт.
Преимущества полноростовых турникетов «Ростов-Дон»:
• возможность стыковки с полноростовым ограждением;
• нетравматичная конструкция (четкая фиксация лопастей после каждого прохода);
• высокая пропускная способность (до 80 чел./мин.);
• проход как по одному человеку, так и свободный проход группы людей;
• управление от системы контроля доступа, пульта дистанционного управления или системы радиоуправления;
• совместимость турникета с системами СКУД ведущих российских и зарубежных производителей;
• antipassback (запрет обратного движения сразу после подачи в СКУД сигнала о факте прохода);
• встроенный гидромеханический доводчик (плавная работа механизма вращения);
• нормально открытый режим работы (блокировка механизма поворота происходит только при нарушении правил прохода);
• звуковая сигнализация, срабатывающая при попытке несанкционированного прохода;
• освещение зоны прохода; световая индикация;
• механический замок для блокировки турникета при отсутствии питания;
• корпус турникета изготовлен из стали, окрашенной порошковым методом, стандартный цвет – «белый антик».
Возможны следующие исполнения турникетов:
трехлопастной (-3) и четырехлопастной (-4), уличного (-У) и внутреннего исполнений, из окрашенной порошковой краской стали и из нержавеющей стали (Нерж) в любом сочетании, например:
«Ростов-Дон ПР2/3М2» - турникет полноростовой (ПР) двухпроходной (2) с ограждением из труб трехлопастной (3);
«Ростов-Дон ПР2С/4М2-У» - турникет полноростовой двухпроходной с ограждением из стекла четырехлопастной уличный (под навесом);
«Ростов-Дон ПР2/3М2-Нерж» - турникет полноростовой двухпроходной с ограждением из труб трехлопастной из нержавеющей стали.
Турникеты из нержавеющей стали являются уличными. Трехлопастной турникет (/3М) обеспечивает более удобный проход людей за счет большого пространства между лопастями.
Четырехлопастной турникет (/4М) обеспечивает более жесткое разделение потока людей по одному человеку.
Турникеты с буквой «С» в обозначении имеют вставки из закаленного стекла толщиной 4 мм.
Лопасть представляет собой группу горизонтальных штанг,
Турникеты управляются с пульта дистанционного управления (ПДУ) и обеспечивают пропуск в любом из двух направлений как по одному человеку, так и группы людей.
Турникеты могут быть легко встроены в систему контроля и управления доступом, для чего предусмотрены специальные входные и выходные цепи.
По условиям применения турникеты соответствуют группе УХЛ 4.2 по ГОСТ 15150-69 и предназначены для эксплуатации внутри помещения при температуре от +1 до +50°С. Турникеты уличного исполнения соответствуют группе УХЛ 2 по ГОСТ 15150-69 и предназначены для эксплуатации вне помещения при температуре от -40 °С до +50°С. Турникеты уличного исполнения имеют двойное покрытие плат электроники лаком, систему электроподогрева механизма турникета, крашеные турникеты покрываются цинкосодержащим защитным слоем с последующей покраской в нужный цвет по RAL, класс защиты IP43.
Электрические параметры схем управления и индикации:
• Напряжение питания, В: 12+-2
• Потребляемая мощность (Вт) при напряжении 12В:
- максимальная при несанкционированном проходе с включенным освещением, не более: 84
- средняя при санкционированном проходе: 42
- в режиме ожидания прохода с освещением: 18
- в режиме ожидания прохода без освещения: 6
• Электрические параметры системы электроподогрева:
• Напряжение питания, В: 24+-2
• Потребляемая мощность, не более, Вт: 60
• Масса 3-лопастного/4-лопастного турникета, кг: 365/400
• Габаритные размеры (ширина×глубина×высота) отклонения размеров см. приложение. мм: 2270х1600х2250
• Высота прохода, мм: 2050
• Ширина прохода турникета, не менее, мм: 3-лопастного/4-лопастного: 560/500
• Допустимые статические усилия на преграждающую лопасть на середине; не более, кгс: 200
• Усилие поворота центральной стойки на середине лопасти, не более, кгс: 5
• Средняя наработка на отказ, проходов: 2 000 000
• Среднее время восстановления, час: 1
• Пропускная способность на два прохода при однократном проходе, не менее, проходов/мин: 60 (без учета задержки СКУД)
• То же при свободном проходе: 80
• Срок эксплуатации, лет: 10
• Максимальная длина кабеля от БЭУ к ПДУ, м: 50 (стандартная длина 10 м)
• Макс. длина кабеля от БЭУ к блоку питания, м: 20 (стандартная длина 15 м)
Устройство и принцип работы
Турникет состоит из следующих частей: две стойки крыла прохода 1 и 2, две лицевых решетки 3 и 4 и напольная плита 7, которые крепятся к полу анкерными болтами. К стойкам фронтально крепится рама привода 5. На раме привода в зонах прохода имеются отверстия для установки четырех светильников. На площадки рамы устанавливается механизмы 6. На валах механизмов закреплены эластичные муфты, к фланцам которых крепятся верхние фланцы центральных стоек. Центральная стойка состоит из трех или четырех лопастей 8, которые скручиваются между собой и крепятся к верхнему и нижнему фланцам. Нижние фланцы закреплены на валах напольной плиты 7. К боковым поверхностям стойки крыла прохода 1 и 2 крепятся ограждения 9 и 10. В стойки ограждений вмонтированы световые индикаторы 12, необходимые для индикации разрешения (зеленый свет) или запрета (красный свет) прохода.

Через отверстия в верхней части стойки крыла прохода и рамы привода к турникету подключается пульт дистанционного управления (ПДУ).
На раме привода турникета установлены плафоны освещения прохода 11 напряжением 12В. Включение и выключение освещения прохода производится с ПДУ нажатием и удержанием нажатой более 5 секунд средней кнопки.
Для исключения возможного перелезания внутрь в верхней части турникета устанавливается стяжка 15 с креплением к верхним поперечинам лицевых решеток.
Для более четкого ориентирования напольной плиты 7 служат нижние стяжки 13 с креплением к вертикальным стойкам лицевых решеток.
Для четырехлопастного турникета к вертикальным стойкам лицевых решеток крепятся ограничители прохода 20.
Турникет дистанционно открывается для прохода как одного человека, так и группы людей в заданном направлении в течение любого промежутка времени. Для удобства управления от ПДУ в блоке электронного управления (БЭУ) предусмотрена функция задержки времени на проход через турникет с принудительным досрочным сбросом по факту прохода.
Механизмы турникета имеет вертикальную ось вращения трех (четырех) лопастей штанг, движущихся в пределах ширины прохода. Вращение лопастей блокируется электромагнитным приводом. При подаче команды на разрешение прохода (охранником с ПДУ или автоматически от СКУД в случае, если Потребитель ее установил) механизм разблокируется для прохода одного человека или группы людей (в зависимости от выбранного режима).
При выключении питания турникет становится постоянно открытым. Запирание турникета при отсутствии напряжения производится поворотом ключа в замке, расположенном в раме привода.
Режим тревоги
Турникет переходит в режим тревоги в следующих случаях:
– несанкционированное движение из исходного положения;
– движение в запрещённом направлении (навстречу разрешённому направлению). При переходе турникета в режим тревоги включаются:
– стопорный механизм; – звуковая сигнализация;
– световые индикаторы светятся красным цветом.
Режим тревоги может быть снят как с помощью ПДУ, так и автоматически в следующих случаях:
– при возобновлении движения механизма турникета в разрешённом направлении;
– если механизм турникета установлен в исходное положение, при этом турникет переходит в режим ожидания;
– одновременно нажаты и удерживаются кнопки «КН.1» и «КН.2» ПДУ, при этом оба световых индикатора светятся красным цветом, а звуковая сигнализация отключается. При снятии режима тревоги с ПДУ происходит отключение стопорного механизма, что позволяет поворачивать механизм в любом направлении до следующего исходного положения. В этом случае возможно перемещение механизма на один проход, при котором сигнал для СКУД о факте прохода не выдается.
Звуковое устройство (зуммер) можно отключать и включать троекратным нажатием кнопки «КН.ДОП» на ПДУ.
Режим срабатывания пожарного шлейфа
Пожарный шлейф можно подключить к клеммам, обозначенным «GND» и «Вх2» модуля IB v1.1Б, предварительно убрав перемычку. При срабатывании пожарного шлейфа (разрыв цепи) происходит разблокировка турникета в обе стороны с индикацией зеленым цветом. Функция антивозврата отключена. Выход из режима осуществляется восстановлением шлейфа и нажатием любой клавиши направления прохода.
Режим калибровки
Режим предназначен для установки исходного (нулевого) положения лопастей. Это может потребоваться, например, при замене датчика углового положения лопастей. Для перевода турникета в режим калибровки необходимо снять крышку привода (Рис.8) и нажать красную кнопку включения режима калибровки (кнопка расположена на боковом ребре корпуса привода). При включении режима калибровки раздается прерывистый звуковой сигнал и мигает зеленым индикатор прохода одного из направлений (другой проход горит красным).
По мигающему зеленым цветом сигналу индикатора ПДУ необходимо повернуть лопасть турникета согласно этому направлению быстро и плавно (придерживать, возвращать лопасть в обратном направлении не допускается). Дождаться мигающего зеленым цветом сигнала индикатора и повторить поворот лопасти, как описано выше, затем сделать это в третий (четвертый) раз. По завершению процесса калибровки прекращается подача звукового сигнала, и турникет переходит в режим ожидания
Экстренные ситуации
В случаях пожара, сигнала тревоги, проноса крупногабаритных грузов и т.д. обеспечение свободного прохода в турникетах осуществляется следующими способами: а) переводом турникета в режим группового прохода; б) выключением турникета (прекращением подачи напряжения); турникет при этом автоматически разблокируется; в) снятием одной лопасти.
Механизм антивозврата (antipassback)
В турникете реализован запрет возврата проходящего человека после поступления в СКУД сигнала о факте прохода, который подается примерно на середине прохода через турникет. При этом блокируется возможность поворота штанг в обратном направлении, так что проходящий человек может продолжить проход только в начатом разрешенном направлении.
Функцию антивозврата можно отключить установкой перемычки между клеммами «GND» и «Вх1» модуля «IB v1.1».
ВНИМАНИЕ! При отключении функции антивозврата производитель не гарантирует достоверность регистрации факта прохода через турникет, так как имеется возможность вернуться после фиксации его системой СКУД.
Пульт дистанционного управления
По условиям применения ПДУ предназначен для эксплуатации внутри помещения при температуре от +1°С до +50°С.
• Напряжение питания постоянного тока, В 122
• Потребляемый ток, мА, не более 30
• Ресурс клавиатуры, циклов/контакт, не менее 1 000 000
Правила эксплуатации и режимы работы
Перед включением турникета необходимо путем визуального осмотра проверить состояние кабелей и включить блок питания.
После включения питания начальное состояние турникета – «Закрыто». При этом индикатор направления движения светится красным светом.
Режимы работы турникетов указаны в таблице:

При эксплуатации не допускается:
– использование абразивных и химически активных веществ (в том числе ацетона, бензина, растворителей, хлорсодержащих и кислотосодержащих моющих веществ) для очистки наружных поверхностей турникета; для ухода за турникетом рекомендуется периодически протирать наружные поверхности деталей из стали с хромовым покрытием и нержавеющей стали чистящим средством для хрома, а окрашенные поверхности – нейтральными или слабощелочными моющими средствами;
– перемещение через зону прохода турникета предметов, превышающих ширину проема прохода;
– рывки и удары по преграждающим штангам, стойке турникета и индикаторам, так как возможно их механическое повреждение и деформация, а также возможен преждевременный выход из строя механизма турникета.
Рекомендации по электромонтажу:
– не рекомендуется установка изделия на расстоянии менее 1 метра от мощных источников электрических помех;
– пересечение всех сигнальных кабелей кабелями других силовых установок допускается только под прямым углом. Монтаж изделия должен выполняться сертифицированным персоналом
Рекомендуется раз в год смазывать смазкой типа «Литол» ось и зацепы пружины коромысла механизма.
Внимание: запрещается смазывать сердечник электромагнита и запорный палец (только продувание и сухая чистка).
Требования безопасности
Электрические схемы турникета и ПДУ изолированы от корпуса. При этом на них подается напряжение не выше 12В постоянного тока.
Корпус турникета необходимо заземлять. На боковом ребре внутри стойки крыла прохода секции внизу имеется основная клемма (М8) заземления; дополнительные клеммы заземления (М6) находятся на раме привода 5 , на лицевых решетках 3 и 4 и боковых ограждениях турникета.
Запрещается производить какие-либо работы на механизме турникета без предварительного отключения от сети.
При эксплуатации турникета необходимо соблюдать общие правила электробезопасности при пользовании электрическими приборами
Подготовка к работе и порядок установки
Турникет рекомендуется устанавливать на горизонтальный бетонный фундамент размером 2400х1700 мм. Толщина фундамента не менее 100 мм. Допускается вместо сплошного фундамента устанавливать в местах крепления бетонные столбики сечением 200х200 и глубиной не менее 300 мм.
Распакуйте турникет, проверьте его комплектность.
Установите турникет в следующей последовательности:
1. Сборка турникета.
– рекомендуем сначала установить механизмы 6 на опорные площадки внутри рамы 5 и закрепить болтами М10;
– положите на пол на боковую плоскость раму привода 5, (предварительно постелив лист картона), рядом аналогично положите две стойки крыла прохода 1 и 2 ; состыкуйте указанные элементы друг с другом присоединительными элементами и закрутите по три болта М12 с каждой стороны; поставьте собранный портал вертикально на месте установки турникета;

2. Установка ограждения:
– положите на пол (примерно в центре турникета) напольную плиту 7;
– «зеркально» установите лицевые решетки 3 и 4;
– установите горизонтальные трубки 17 (8 шт.) ограждения в гнезда вертикальных направляющих лицевых решеток 3 и 4;
– к вертикальным стойкам лицевых решеток с внутренней стороны установите нижние стяжки 13 и закрепите винтами М8 к решеткам и к плоскости напольной плиты 7;
– закрепите к раме 5 в средней части верхнюю стяжку 15 двумя винтами М8,лицевые решетки 3 и 4 закрепите винтами М8 к фланцам верхней стяжки 15;
– закрепите элементы конструкции между собой и к полу фундаментными болтами (лицевые решетки крепить к полу после установки горизонтальных трубок 17 ограждения);
– к боковым плоскостям стойки крыла прохода 1 и 2 установите ограждения 9 и 10 (предварительно заведите в отверстия стойки крыла прохода провода световых индикаторов 12, кабели заземления) и закрепите винтами М8;
– отрегулируйте положение ножек, вкрученных в опоры стоек ограждений, обеспечив устойчивое положение турникета; ножки зафиксируйте гайками М16. 3. Сборка центральной стойки :
- установите на диск муфты привода 6 верхний фланец центральной стойки и закрепите винтами М10х16; нижний фланец прикрепить к фланцу вала напольной плиты 7 винтами М8х16
– в первую очередь установите на посадочные плоскости фланцев лопасть с внутренними кронштейнами и закрепите винтами М8 (не затягивая их), положение "верх" указано маркировкой.
– аналогично установите остальные лопасти, затяните винты;
– проверьте легкость вращения центральной стойки, при необходимости подложите шайбы под плиту привода; проверьте визуально (с помощью отвеса и уровня) положение стоек крыла прохода;
4. Электромонтаж турникета:
– выполнить монтаж заземления турникета;
– выполнить подключение световых индикаторов к БЭУ турникета;
– выполнить установку и подключение плафонов освещения;
– выполнить подключение ПДУ к БЭУ турникета,
5. Окончательная сборка:
– окончательно затяните все крепежные элементы;
– установите на место крышки 16 (выполнить после подключения турникета и проведения режима калибровки) и закрепите винтами М4
Сопряжение и работа со СКУД
Подключение турникета к контроллерам СКУД осуществляется в соответствии с табл.3 через разъем ХS2 модуля IB v1.1.
К контакту 9 разъема XS2 модуля IB v1.1 подсоединить цепь «Общий» контроллера СКУД.
Управление турникетом осуществляется по цепям «СКУД1» и «СКУД2» посредством замыкания контактов 7 или 8 разъема XS2 модуля IB v1.1 на общий провод.

Сигналы, подаваемые на входы «СКУД1» и «СКУД2», должны иметь TTL- уровни (номинальное значение +5В, максимальное значение +14В). Данные сигналы также могут быть сформированы посредством контактов реле или транзисторами, включенными по схеме открытый коллектор (открытый сток). Длительность подаваемых сигналов для разблокировки турникета на вход и/или выход определяется контроллером СКУД, минимальная длительность 50 мс, максимальная - не ограничена. Направление входа и выхода остаются разблокированными, пока цепи «СКУД1» и/или «СКУД2» соответственно замкнуты на общий провод.
Сигнал «Факт прохода» формируется при повороте проходящим человеком лопастей турникета более чем на 60° переключением контактов реле для соответствующего направления прохода. Время, в течение которого контакты реле находятся в переключенном состоянии, составляет 0,6±0,1 с, номинальный ток и напряжение 2А, 12В, максимальный ток и напряжение 10А, 28В.
Бренд турникета | Ростов-Дон |
Вид турникета | Турникет |
Тип турникета | Полноростовой |
Тип корпуса турникета | Двухпроходной, Напольный |
Тип привода турникета | Роторный |
Исполнение турникета | Для помещений |
Материал корпуса турникета | Окрашенная сталь |
Преграждающие планки/створки | Стандартные, в комплекте |
Тип блокировки | Нормально открытый (НО) |
Встроенный картоприемник | Нет |
Встроенные считыватели | Без считывателей |
Пропускная способность | 50 чел/мин |
Пульт управления | 2 шт. в комплекте |
Напряжение питания | 12 В |
Источник питания | В комплект НЕ ВХОДИТ! (приобретается отдельно) |
Потребляемая мощность, макс. | 60 Вт |
Потребляемый ток, макс. | 4 A |
Габариты | 2270х1600х2250 мм |
Ширина перекрываемого прохода | 2270 мм |
Ширина прохода | 560 мм |
Высота прохода | 2050 мм |
Вес, кг | 365 |
Рабочая температура | от +1°C до +40°C |
Наработка на отказ, не менее | 2 млн. циклов |
Средний срок службы | Не менее 10 лет |
Стыковка со СКУД | Любые типы СКУД |
Сертификаты | Транспортной безопасности |
Гарантия | 2 года |
Страна производства | Россия |
Функция «Быстрый заказ» позволяет покупателю не проходить всю процедуру оформления заказа самостоятельно. Вы заполняете форму, и через короткое время вам перезвонит менеджер магазина. Он уточнит все условия заказа, ответит на вопросы, касающиеся качества товара, его особенностей. А также подскажет о вариантах оплаты и доставки.
По результатам звонка, пользователь либо, получив уточнения, самостоятельно оформляет заказ, укомплектовав его необходимыми позициями, либо соглашается на оформление в том виде, в котором есть сейчас. Получает подтверждение на почту или на мобильный телефон и ждёт доставки.
Оформление заказа в стандартном режиме
Если вы уверены в выборе, то можете самостоятельно оформить заказ, заполнив по этапам всю форму.
Заполнение адреса
Выберите из списка название вашего региона и населённого пункта. Если вы не нашли свой населённый пункт в списке, выберите значение «Другое местоположение» и впишите название своего населённого пункта в графу «Город». Введите правильный индекс.
Доставка
В зависимости от места жительства вам предложат варианты доставки. Выберите любой удобный способ. Подробнее об условиях доставки читайте в разделе «Доставка».
Оплата
Выберите оптимальный способ оплаты. Подробнее о всех вариантах читайте в разделе «Оплата»
Покупатель
Введите данные о себе: ФИО, адрес доставки, номер телефона. В поле «Комментарии к заказу» введите сведения, которые могут пригодиться курьеру, например: подъезды в доме считаются справа налево.
Оформление заказа
Проверьте правильность ввода информации: позиции заказа, выбор местоположения, данные о покупателе. Нажмите кнопку «Оформить заказ».
Наш сервис запоминает данные о пользователе, информацию о заказе и в следующий раз предложит вам повторить к вводу данные предыдущего заказа. Если условия вам не подходят, выбирайте другие варианты.
Если Вы хотите узнать об условиях доставки и оплаты, но не желаете о них читать, то Вы можете позвонить любому нашему сотруднику, и он обязательно Вам поможет.
Покупка за безналичный расчет
При оплате за безналичный расчет наш сотрудник свяжется с Вами, чтобы подтвердить заказ и уточнить сроки и адрес доставки. После оформления заказа сотрудник нашей компании вышлет вам счет, по которому необходимо будет произвести оплату.
После оплаты заказа к Вам приедет наш курьер, который доставит ваш заказ.
Самостоятельно забрать заказ из пунктов самовывоза Вы можете после его оплаты по безналичному расчету. Оплата доставки до пунктов выдачи транспортных компаний производится по тарифам выбранной Вами транспортной компании непосредственно в месте получения заказа.
Самовывоз из офиса нашей компании в Зеленограде, так же возможен после предоплаты по безналичному расчету, и предварительной договоренности с менеджером.
Интернет-магазин выполняет доставку любого товара своей собственной Службой доставки.
Стоимость доставки курьером
Стоимость доставки по Москве, Все товары —750 руб., бесплатная доставка от 25000 руб
Стоимость доставки по Московской области рассчитывается для каждого заказа индивидуально и зависит от суммарного веса товаров заказа и удаленности адреса доставки.
Время доставки
Время доставки согласовывается с менеджером Службы доставки, который обязательно свяжется с вами сразу после того, как вы разместите свой заказ.
Для осуществления доставки в регионы России мы пользуемся услугами компаний СДЭК, ЖелДорЭкспедиция, Автотрейдинг, Деловые Линии. В таком случае, указанными кампаниями взимается стоимость доставки по их внутренним тарифам с заказчика при получении товара.
Самовывоз
Забрать товар самостоятельно и абсолютно бесплатно можно только по адресу: Москва, Зеленоград, Панфиловский проспект, дом 10.
Забрать товар самовывозом можно по любому из адресов самовывоза указанных здесь, стоимость доставки до пункта самовывоза рассчитывается для каждого заказа по тарифам транспортных компаний.





